| 种类 | 滚动导轨 |
|---|---|
| 滑行轨迹 | 直线导轨 |
| 滑轨宽度 | 34 |
| 滑块个数 | 0-8 |
| 额定动载荷 | 57.9 |
| 材质 | 不锈钢 |
| 额定静载荷 | 105.2 |
| 滑轨长度 | 0-3000 |
| 滑块孔距 | 72*52 |
| 滑块宽度 | 90 |
| 滑块长度 | 109.8 |
| 品牌 | HIWIN/上银 |
| 型号 | RGW30CC |
供应RGW30CC滚珠型线性滑轨、RGW30CC直线导轨、RG上银导轨
台湾HIWIN直线导轨,为四列式单圆弧牙型接触直线导轨,同时整合**化结构设计的超重负荷精密直线导轨,相较于其它的直线导轨提升了负荷与刚性能力;具备四方向等负载特色、及自动调心的功能,可吸收安装面的装配误差,满足高精度的要求。高速度、高负荷、高刚性与高精度化概念已成为未来全世界工业产品发展的趋势。
A、定位精度高
使用直线导轨作为线性导引时,由于直线导轨的摩擦方式为滚动摩擦,不仅摩擦系数降低至滑动导引的1/50,动摩擦力与静摩擦力的差距亦变得很小。因此当床台运行时,不会有打滑的现象发生,可达到μm级的定位精度。
B、磨耗少能长时间维持精度
传统的滑动导引,无可避免的会因油腻逆流作用造成平台运动精度不良,且因运动时润滑不充分,导致运行轨道接触面的磨损,严重影响精度。而滚动导引的磨耗非常小,故机台能长时间维持精度。
C、适用高速运动且大幅降低机台所需驱动马力
由于直线导轨移动时摩擦力非常小,只需较小动力便能让床台运行,尤其是在床台的工作方式为经常性往返运行时,更能明显降低机台电力损耗量。且因其摩擦产生的热较小,可适用于高速运行。
我们的产品主要用于:机床、电机、电动工具、运输机械、纺织机械、重型机械、冶金机械、机床、医疗器械、汽车、水泵、印刷、雕刻等机械。
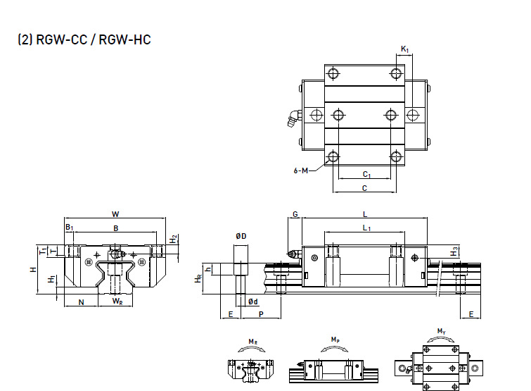
RGW30CC上银直线导轨导轨安装、尺寸图:

RGW30CC常用选型尺寸图:
供应RGW30CC滚珠型线性滑轨、RGW30CC直线导轨、RG上银导轨特点:
RG系列线性滑轨以滚柱型滚动体取代了钢珠,為实现超高刚性与超重负荷能力而设计;透过滚动体与滑轨与滑块的线接触方式,让滚动体在承受高负荷时仅仅形成微量的弹性变形,更藉由45度的接触角度的设计,让整体线性滑轨达到四方向等高刚性、等高负荷能力的特性表现。透过超高刚性的实现,可大幅提升加工精度,达到高精度的诉求;由於超重负荷的特性,进而延长线性滑轨的使用寿命。非常适合高速自动化產业机械及高刚性需求的设备使用。
RGW30CC上银直线导轨的应用
自动化设备
重型搬运设备
CNC加工机
重切削加工机
CNC磨床
射出成型机
放电加工机
大型龙门机床
高刚性与重负荷需求的工作机械
四方型滚柱系列:RGH25CA,RGH25HA,RGH30CA,RGH30HA,RGH35CA,RGH35HA,RGH45CA,RGH45HA,RGH55CA,RGH55HA,RGH65CA,RGH65HA
法兰型滚柱系列:RGW25CC,RGW25HC,RGW30CC,RGW30HC,RGW35CC,RGW35HC,RGW45CC,RGW45HC,RGW55CC,RGW55HC,RGW65CC,RGW65HC
供应RGW30CC滚珠型线性滑轨、RGW30CC直线导轨、RG上银导轨标准长度
东莞市君驰机电设备有限公司是一家主要销售进口直线导轨,滚珠丝杠,工业机器人,伺服电机的专业公司,主要销售台湾、日本、德国、意大利、美国瑞典等各国知名进口产品。
导轨品牌:台湾上银直线导轨、台湾上银导轨、上银KK模组、CPC直线导轨、日本THK直线导轨、日本IKO直线导轨、台湾PMI直线导轨、ABBA直线导轨。
轴承品牌:日本NSK轴承、日本NTN轴承、日本KOYO轴承、日本NACHI轴承、日本EZO微型轴承、德国FAG/INA轴承、国产HCH轴承。
电机品牌:日本松下、三菱、安川,台湾台达、上银等伺服电机,我们并为您提供伺服控制系统等周边服务,并承诺每一台电机我们将上门安装,调试。让您的选择具有**大的升值空间!
我们的产品主要用于:机床、电机、电动工具、运输机械、纺织机械、重型机械、冶金机械、机床、医疗器械、汽车、水泵、印刷、雕刻等机械。东莞市君驰机电设备有限公司经过多年的努力与发展,拥有一批专业的技术人员,产品销往全国各行各业,已成为国内机电经销行业发展领头的企业。“君驰机电”不断学习,努力开拓,以质量、信誉为本,以不断发展为动力,以为社会服务为目标,为您提供**的服务。
我公司宗旨:
*我们提供的不只是传动和控制产品
*我们还为您提供更高附加值的关联技术整合
*我们的不断努力
*都是为了您的工作优化创新,发展进步
郑重声明:我公司在国内无任何分公司或任何分销机构,如有冒充者,请您谨防上当!并公开承诺:我司所售进口产品,均原装进口,假一赔十!
联系方式:
电 话:0769-23138839、0769-87320287
移动电话:15820923927
联 系 人:龙先生
传 真:86-0769-23133549
地 址:中国 广东 东莞市 东莞市莞城区八达路香港街入口鹏轩大厦303B
邮 编:523000
公司主页://www.ikozc.com

