| 产品类型 | 三相异步电动机 |
|---|---|
| 极数 | 4极 |
| 品牌 | 永力 |
| 型号 | ZDY12-4 0.4KW |
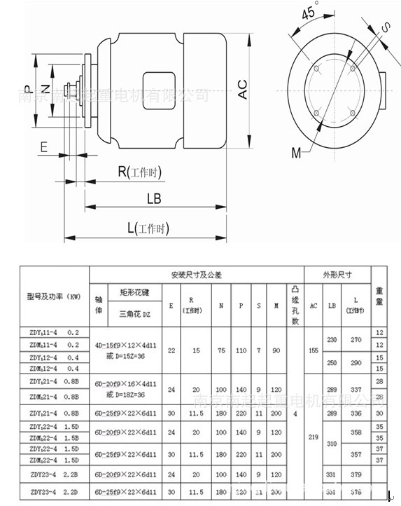
主要性能参数及安装尺寸:
ZDY型锥形转子三相异步电动机是ZD系列派生电机,带有自动刹车装置,适用于电动葫芦的小车运行电机或要求起动转矩较小及制动较平缓的机械装置的驱动。2000年8月通过ISO9001国际质量体系认证。

欢迎来电咨询
南京江陵机电集团有限公司
电话:025-52158618(传真) 025-83140325 13952012868 13770995076
客服1QQ:164608840

![]() |
|
| 产品类型 | 三相异步电动机 |
|---|---|
| 极数 | 4极 |
| 品牌 | 永力 |
| 型号 | ZDY12-4 0.4KW |
主要性能参数及安装尺寸:
ZDY型锥形转子三相异步电动机是ZD系列派生电机,带有自动刹车装置,适用于电动葫芦的小车运行电机或要求起动转矩较小及制动较平缓的机械装置的驱动。2000年8月通过ISO9001国际质量体系认证。

欢迎来电咨询
南京江陵机电集团有限公司
电话:025-52158618(传真) 025-83140325 13952012868 13770995076
客服1QQ:164608840
