欢迎来到郑州诺华机电设备有限公司!
|
保存桌面
|
手机浏览
|
管理入口
|
返回主站
郑州诺华机电设备有限公司
86-0371-86180915
网站首页
公司介绍
供应产品
采购清单
新闻中心
荣誉资质
联系方式
联系方式
在线留言
公司相册
产品分类
暂无分类
站内搜索
供应产品
采购清单
新闻中心
公司相册
友情链接
暂无链接
首页
>
供应产品
>
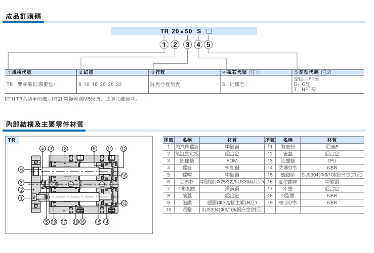
双轴气缸TN16X60S 郑州一级代理商
双轴气缸TN16X60S 郑州一级代理商
产品:
浏览次数:189
双轴气缸TN16X60S 郑州一级代理商
品牌:
亚德客
单价:
100.00元/台
最小起订量:
1 台
供货总量:
发货期限:
自买家付款之日起
天内发货
有效期至:
长期有效
最后更新:
2022-03-22 23:04
详细信息
询价单
共
0
条
相关评论