| 产品类型 | 三相异步电动机 |
|---|---|
| 极数 | 4极 |
| 额定功率 | 0.18 |
| 额定电压 | 380(V) |
| 额定转速 | 1500(rpm) |
| 产品认证 | CCC |
| 应用范围 | 旋振筛 |
| 品牌 | 耐尔特机械 |
| 型号 | yzul |
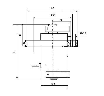
YZUL系列立式振动电机是我公司新型立式振动电机产品,采用先进的单法兰结构,设计精巧,运行安全可靠,单法兰结构使得立式振动电机安装维护方便,同时可大大减轻主机重量,减小主机外形尺寸、简化主机结构、降低主机成本,使得主机对物料的处理量更大。振动电机激振力能在一定范围内非常容易地进行有级调节,满足各种作业需求。
咨询订购15537306876 qq 2790852633


需要了解更多更全的产品信息请电话联系我们,本公司产品种类十分丰富,你有需求我们**会提供给你,欢迎广大客户来我厂考察订购机器设备。

