| 型号 | ZD1 51-4-13KW |
|---|---|
| 安装方式 | 卧式 |
| 产品类型 | 三相异步电动机 |
| 产品认证 | iso9001 |
| 额定电压 | 380(V) |
| 额定功率 | 13 |
| 额定转速 | 1400(rpm) |
| 极数 | 4极 |
| 应用范围 | 机械设备 |
| 品牌 | SHNK |


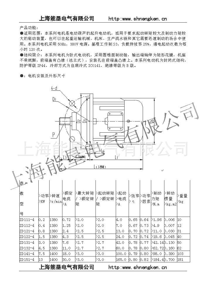
产品功能:
●适用范围:本系列电机是电动葫芦的起升电动机,或用于要求起动转矩较大及制动力矩较大的驱动装置,也可以在起重运输机械、机床、生产流水线和其它需要迅速制动的场合中使用。本系列电机采用50Hz,380V电源。基准工作制S3,负载持续率25%,通电起动次数为每小时120次。
●结构简介:本系列电机为卧式电动机,采用圆锥面制动器,输出端轴伸为矩形花键,机座不带底脚,前端盖有凸缘(法兰式),安装孔在前端盖凸缘上。本系列电动机为封闭式结构,防护等级IP44,冷却方式为自扇冷式IC0141,绝缘等级为B级。
●:电机安装及外形尺寸



