| 产品类型 | 三相异步电动机 |
|---|---|
| 极数 | 6极 |
| 额定功率 | 22KW |
| 额定电压 | 380(V) |
| 额定转速 | 1000(rpm) |
| 产品认证 | iso9001 |
| 应用范围 | 机械设备 |
| 安装方式 | 卧式 |
| 品牌 | SHNK |
| 型号 | YZ200L-6-22KW冶金起重电机 |



YZ、YZR系列电动机适用于驱动各种型式的起重机械、冶金机械及其它类似设备的专用产品,具有较大的过载能力和较高的机械强度。因此它特别适用于那些短时或断续运转、频繁起动、制动、有时过负荷及有显着的振动与冲击的设备。 电动机的功率等级和安装尺寸符合国际电工委员会(IEC)标准,其对应关系与德国DIN42681及日本JEM1202标准相同并可互换。电动机的绝缘等级为F级和H级两种。F级适用于环境空气温度不超过40℃的一般场所;H级适用于环境温度不超过60℃的冶金场所。两种电动机具有相同的参数。 用于一般场所的电动机防护等级为IP44,用于冶金场所的电动机防护等级为IP54。 YZ系列电动机为鼠笼转子电动机,YZR系列电动机为绕线转子电动机。
一、产品概述
1.YRZ、YZ系列是**设计的具有过载能力大和机械强度高的电动机,适用于各种型式的起重机械、塔式起重机械及冶金辅助 设备的电力传动。YZR系列为绕转子电动机,YZ系列为龙型电动机。
2.型号说明
上海能垦电气有限公司
电话:0577-27875086
联系人:卢小姐 15869674765
www.shnengken.com
二、产品结构
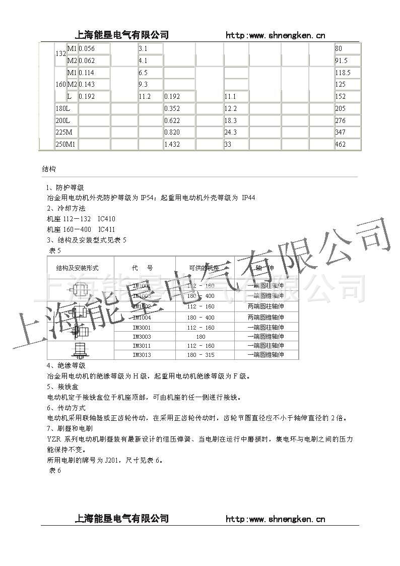
1.结构及安装型式
| 结构及安装型式 | 代号 | 可供的机座 | 轴伸 |
| IM1001 | 112-160 | 一端圆柱轴伸 | |
| IM1003 | 180-400 | 一端圆锥轴伸 | |
| IM1002 | 112-160 | 两端圆柱轴伸 | |
| IM1004 | 180-400 | 两端圆锥轴伸 | |
| IM3001 | 112-160 | 一端圆柱轴伸 | |
| IM3003 | 180 | 一端圆锥轴伸 | |
| IM3011 | 112-160 | 一端圆柱轴伸 | |
| IM3013 | 180-315 | 一端圆锥轴伸 |
2.本系列电机所用轴承的型号
| 中心高/安装型式 | IM1 | IM1 | ||
| 驱动端 | 非驱动端 | 驱动端 | 非驱动端 | |
| 112 | 308 | 308 | 308 | 308 |
| 132 | 309 | 309 | 309 | 309 |
| 160 | 311 | 311 | 311 | 311 |
| 180 | 313 | 313 | 313 | 313 |
| 200 | 32315 | 315 | 32315 | 46315 |
| 225 | 32315 | 315 | 32315 | 46315 |
| 250 | 32316 | 316 | 32316 | 46316 |
| 280 | 32320 | 320 | 32320 | 46320 |
| 315 | 32322 | 322 | 32322 | 46322 |
| 355 | 32326 | 326 | ||
| 400 | 32330 | 330 |
3.YZR系列的集电环
机座112-250电动机的集电环用塑料模压结构,机座280-400电动机的集电环采用绝缘套筒试结构。
1.风扇 2.前端盖 3.定子 4.转子 5.出线盒6.高端盖 7.视察窗盖 8.电刷装置 9.轴承 10.平键
三、安装及外形尺寸








