| 产品类型 | 三相异步电动机 |
|---|---|
| 极数 | 6极 |
| 额定功率 | 0.55 |
| 额定电压 | 380(V) |
| 额定转速 | 1000(rpm) |
| 产品认证 | iso9001 |
| 应用范围 | 机械设备 |
| 安装方式 | 卧式 |
| 品牌 | SHNK |
| 型号 | YEJ2-80M-6-0.55KW电磁刹车电动机 |



上海能垦电气有限公司
电话:0577-27875086
联系人:卢小姐 15869674765
www.shnengken.com
概述
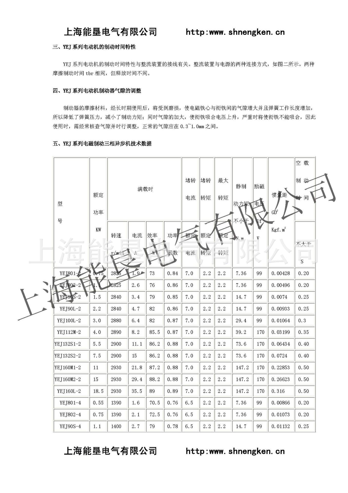
YEJ系列电磁制动电动机,绝缘等级、防护等级、冷却方法、结构与安装型式、使用条件、额定电压、额定频率等与Y系列(IP44)电动机相同,具有附加圆盘型直流电磁制动器,适用于一切要求快速停止、准确定位、往复运转的各种机械。
制动方式:无励磁制动。电磁制动器额定电压:H100及以下者为直流99V、H112及以上者为直流170V。
规格表
| 型号type | 功率power(kw) | 型号type | 功率power(kw) | 型号type | 功率power(kw) |
| YEJ801-2 | 0.75 | YEJ90L-4 | 1.5 | YEJ132M1-6 | 4 |
| YEJ802-2 | 1.1 | YEJ100L1-4 | 2.2 | YEJ132M2-6 | 5.5 |
| YEJ90S-2 | 1.5 | YEJ100L2-4 | 3 | YEJ160M-6 | 7.5 |
| YEJ90L-2 | 2.2 | YEJ112M-4 | 4 | YEJ160L-6 | 11 |
| YEJ100L-2 | 3 | YEJ132S-4 | 5.5 | YEJ180L-6 | 15 |
| YEJ112M-2 | 4 | YEJ132M-4 | 7.5 | YEJ200L1-6 | 18.5 |
| YEJ132S1-2 | 5.5 | YEJ160M-4 | 11 | YEJ200L2-6 | 22 |
| YEJ132S2-2 | 7.5 | YEJ160L-4 | 15 | YEJ225M-6 | 30 |
| YEJ160M1-2 | 11 | YEJ180M-4 | 18.5 | YEJ132S-8 | 2.2 |
| YEJ160M2-2 | 15 | YEJ180L-4 | 22 | YEJ132M-8 | 3 |
| YEJ160L-2 | 18.5 | YEJ200L-4 | 30 | YEJ160M1-8 | 4 |
| YEJ180M-2 | 22 | YEJ225S-4 | 37 | YEJ160M2-8 | 5.5 |
| YEJ200L1-2 | 30 | YEJ225M-4 | 45 | YEJ160L-8 | 7.5 |
| YEJ200L2-2 | 37 | YEJ90S-6 | 0.75 | YEJ180L-8 | 11 |
| YEJ225M-2 | 45 | YEJ90L-6 | 1.1 | YEJ200L-8 | 15 |
| YEJ801-4 | 0.55 | YEJ100L-6 | 1.5 | YEJ225S-8 | 18.5 |
| YEJ802-4 | 0.75 | YEJ112M-6 | 2.2 | YEJ225M-8 | 22 |
| YEJ90S-4 | 1.1 | YEJ132S-6 | 3 |
上海能垦电气有限公司
电话:0577-27875086
联系人:卢小姐 15869674765
www.shnengken.com
制动器技术数据
| 机座号 | 静制动力矩N.m | 空载制动时间release time 开关在直流侧断 DC side off | 制动器电压V | 励磁功率Power W |
| 80 | 7.5 | 0.20 | 99 | 50 |
| 90 | 15 | 0.20 | 99 | 60 |
| 100 | 30 | 0.20 | 99 | 80 |
| 112 | 40 | 0.25 | 170 | 110 |
| 132 | 72 | 0.25 | 170 | 130 |
| 160 | 150 | 0.35 | 170 | 150 |
| 180 | 200 | 0.35 | 170 | 150 |
| 200 | 300 | 0.45 | 170 | 200 |
| 225 | 450 | 0.45 | 170 | 200 |
上海能垦电气有限公司
电话:0577-27875086
联系人:卢小姐 15869674765
www.shnengken.com






