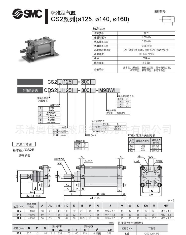
| 种类 | 标准型气缸 |
|---|---|
| 缸径 | 160(mm) |
| 理论作用力 | 16080(N) |
| 最大负荷 | 15960(N) |
| 最大力距 | 957(Nm) |
| 重量 | 12.2(kg) |
| 适用范围 | 汽车、鐡路交通、塑料机械、冶金、电子机械、轻工纺织及食品包装等自动化工业领域 |
| 加工定制 | 是 |
| 气缸数 | 3 |
| 品牌 | AJL/奥佳灵 |
| 型号 | CDS1LF160-300R-A54 |
| 产品图片 |
SMC标准型气缸CS1系列: |
| 产品特点 |
特点大致如下: 1.长寿命设计,是老款(CM)的1.5倍; 2.安装简便; 3.紧凑,轻量,比老款减少30%至40%的重量; 4.防尘性能**,活塞杆的密封圈特殊设计,能适应较差的工作环境; 5.活塞杆偏斜角度减少,比老款减少一半; 6.可以高速运行,橡胶缓冲**750MM/S,气缓冲1000MM/S; 7.密封圈可以更换,这个小东西的可更换大大的延长本系列气缸的使用寿命; 8.气缸筒强度增大,可以承受更大的外部冲击,更加坚固; 9.安装精度提高,主要指安装附件,大大的提高了气缸的寿命。 总之,这款气缸很成熟,由于已经实现国产化,所以价格便宜,交货期对应的快,在设计选型时可以优先考虑CM2.另外还有CQ2薄型气缸和CP95气缸等。 |
| 适用场地 |
适用于冶金机电、建筑机械、运输设备、家电、轻工、机床、医疗等行业自动化生产等等 |
| 生产能力 |
我所在位置 |
| 联系方式 |
联系电话: 0577-61757619 移动电话: 18858858058 18858858058 传真号码: 0577-61757615 联系地址: 中国 浙江 乐清市 乐清浃西工业区浃西村凤湖路109号 公司主页://gdl641695006./ 公司主页://yyygqg./ |
| 公司简介 |
| 浙江乐清奥佳灵液压、气动元件有限公司是液压、气动元件、电力金具等产品专业生产加工的个体经营,公司总部设在浙江乐清柳市浃西工业区,浙江乐清奥佳灵液压、气动元件有限公司拥有完整、科学的质量管理体系。浙江乐清奥佳灵液压、气动元件厂的诚信、实力和产品质量获得业界的认可。奥佳灵液压、气动公司是专业生产销售液压、气动元件的厂家,本公司生产的液压气动产品使用于冶金机电、建筑机械、运输设备、家电、轻工、机床、医疗等行业自动化生产的需要。公司以先进的设备工艺及严格的质量要求为客户提供各种非标液压气动产品来满足客户的需要,面对二十一世纪的市场一体化和经济全球化的**,抓住机遇、追求卓越,并在互惠互利的基础上,愿与新老客户增进友谊,真诚合作,促进发展,共同繁荣!欢迎各界朋友莅临浙江乐清奥佳灵液压、气动元件厂参观、指导和业务洽谈。 我公司主要气缸有:标准气缸SI,SID,SIJ系列; SG,SGD,SGJ,SGC,SGCD,SGCJ系列;SU,SUD,SUJ系列;SC,SCD,SCJ系列;带锁型气缸SILB,SILF系列;SULB,SULF系列;SCLB,SCLF系列;不锈钢迷你气缸MI,MSI,MTI,MIC系列;MID,MICD,MIJ,MICJ 系列;笔形气缸PB,PSB,PTB,PBC系列;PBD,PBCD,PBJ,PBCJ系列;MF系列,MA系列;铝合金迷你气缸MAL,MSAL,MTAL系列;MALD,MALJ系列;超薄气缸ACP系列;ACQ系列;SDA系列;多位置固定气缸MD,MSD,MTD系列; 双轴气缸TN,TR系列;滑台气缸STM系列;三轴气缸TC系列;转角气缸ACK系列;阻挡气缸TWH,TWG,TWQ,TWM系列气缸 |
公司主页:https://yyygqg./







联系电话: 0577-61757619