| 产品类型 | 三相异步电动机 |
|---|---|
| 极数 | 4极 |
| 额定功率 | 1.1KW |
| 额定电压 | 380V/50Hz(V) |
| 额定转速 | 1400(rpm) |
| 产品认证 | CCC |
| 应用范围 | 机械设备 |
| 品牌 | BEGEMA宝戈玛 |
| 型号 | BM8034 |



| ||||||||||||||||||||||||||||||||||






销售热线:13650169446 刘晶晶 QQ:1796908575
结构特点:
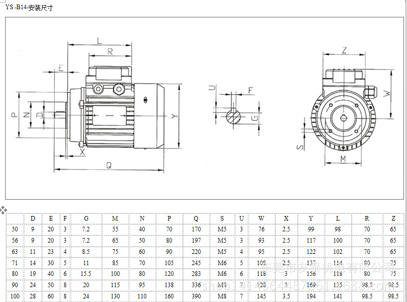
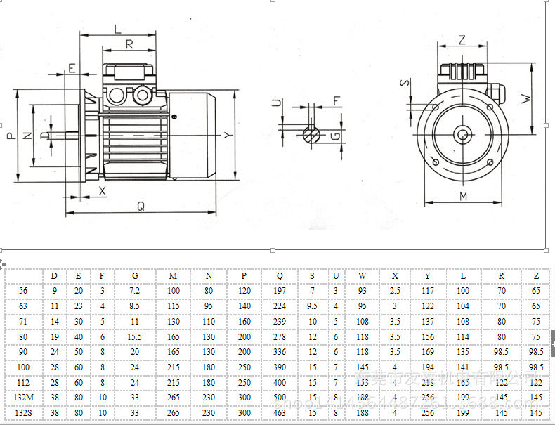
从0.025KW-7.5KW的功率等级范围,9种机座规格.(50,56,63,71,80,90,100,112,132)
接线座与机体整体铝合金压铸结构,密封性好,完全符合IP54、IP55外壳防护等级标准.
增强散热筋设计,使机组具备更强的冷却能力.在恶劣的环境下维持电机良好的运行性能.
**的动平衡校正及专用的低噪声轴承,使电机运行更加平衡、静音.
提供B级、F级绝缘等级制造.
预设置的出轴密封装置,与变速机、减速机配套连接时,密封性能可靠安全.
符合IEC尺寸标准及IM国际安全结构方式,具备优良的互换性.
外壳防护等级:
电机的外壳防护等级表示电机在以下两个方面的防护能力:
(1)防止人体接触电机内部带电或转动部分和防止固体异物进入电机内部的能力
(2)防止水进入电机内部的能力
本公司制造的电机采用接线盒与机体一体压铸,并在外壳所有出轴及接合处均设有密封装置可以达到IP54、IP55的防护等级.
统一标准:
所有通用电机执行统一的制作标准:
电机功率等级及尺寸:GB4826-84;GB4772.2-84;IEC72
电气规范:GB755-87;IEC34-1
结构及安装型式:GB997-81;IEC34-7
外壳防护等级:GB4942.1-85;IEC34-5
冷却方式:GB/T1993-93;IEC34-6
我公司电机,马达,减速机,变速机广泛应用于波峰焊,电镀设备,陶瓷机械,食品灌装机械,纺织,化工,玻璃,轻工等机械设备行业。我公司大量现货供应,价格优惠.现向全国诚招经销商! 我公司专业代理意大利B&M高温马达,该马达F级绝缘,IP55防护等级,可耐180度高温,高品质,低噪音。广泛应用于波峰焊,电镀设备,陶瓷机械,食品灌装机械,纺织,化工,玻璃,轻工等机械设备行业。我公司常年备有现货,功率从1/4HP--10HP,2P 4P 6P齐全,立,卧式皆有,单,三相可选。




