| 产品类型 | 三相异步电动机 |
|---|---|
| 规格 | YLJ100L-6-6/60Kg/B3 |
| 额定电压 | 380(V) |
| 额定功率 | 60Kg/6N.m |
| 额定转速 | 940(rpm) |
| 极数 | 6极 |
| 类型 | 三相异步电动机 |
| 应用范围 | 纺织、电线电缆、金属加工、造纸、橡胶、塑料以及印刷机械等工业领域。 |
| 品牌 | 立大 |
| 型号 | YLJ100L-6-6/60Kg/B3 |
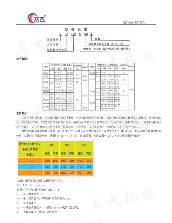
YLJ系列力矩三相异步电动机是一种具有软机械特性和宽调速范围的特种电机。当负载增加时,电动机的转速能自动的随之降低,而输出力矩增加,保持与负载平衡。力矩电机的堵转转矩高,堵转电流小,能承受一定时间的堵转运行。由于转子电阻高,损耗大,所产生的热量也大,特别在低速运行和堵转时更为严重,因此,电机在后端盖上装有独立的轴流或离心式风机(输出力矩较小的100机座号及以下除外),作强迫通风冷却,力矩电机配以可控硅控制装置,可进行调压调速,调速范围可达1:4,转速变化率≤10%。本系列电机的特性使其适用于卷绕、开卷、堵转和调速等无所适从事及其他用途,被广泛应用于纺织、电线电缆、金属加工、造纸、橡胶、塑料以及印刷机械等工业领域。
本图片电机是YLJ系列力矩三相异步电动机YLJ100L-6-6,机座号(框号)100L,电动机以处于堵转时的输出力矩作为定值,以Kg和N.m为单位,所以也叫60Kg -6P或6N.m-6P。






