| 品牌 | A |
|---|
本公司专业生产:步进电机,直流无刷电机,伺服电机及驱动器**,品种齐全,**价廉,交货及时!
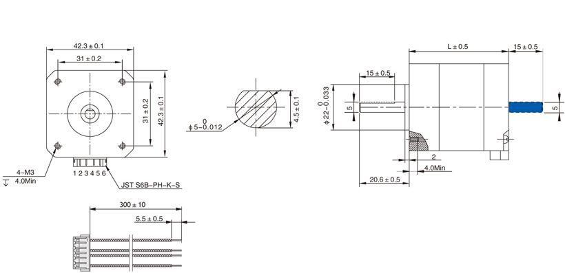
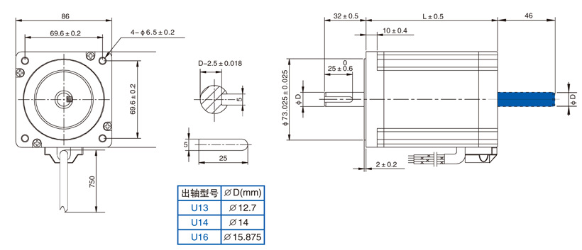
两相、三相、五相混合式步进电机,采用耐高温永磁体和**冷轧钢片制造,产品规格涵盖20mm--150mm,具有低噪声、低振动、低发热的特点,可靠性和稳定性高。并且,由于其内部良好的阻尼性,运行平稳,无明显的振荡区,可满足自动化行业不同工况的使用。
采用****技术研制的步进驱动器,更好的解决了传统步进电机低速爬升、高速力矩小、启动频率低等特性,具备交流伺服的某些特性,其控制效果可与进口产品相**。













//www.hdbmotor.com
//www.hamderburg.com
//www.hdb-motor.com

