| 产地 | 江苏 |
|---|---|
| 额定电压 | 380V |
| 额定功率 | 22KW |
| 额定转速 | 985rpm |
| 规格 | B3/B5/B35 |
| 极数 | 6极 |
| 类型 | 三相异步电动机 |
| 品牌 | 佳沐斯 |
| 型号 | YBX3-200L2-6 |
| 加工定制 | 否 |


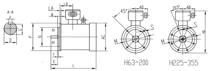
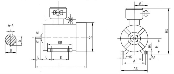
YBX3 防爆电机又称YBX3隔爆型三相异步电动机,是YB3防爆电机的通过技术研发开发出的新一代产品,该电机具有高效、节能、温升裕度大、寿命长、性能好、噪音低、防爆结构先进,起动性能优良、外形美观、可靠性高、运行时不产生电火花、使用维护方便等优点。YBX3防爆电机效率指标符合GB18613-2012《中小型三相异步电动机能效限定值及能效等级》电动机能效2级指标,并与IEC60034-30的IE3连结同等。其功率品级和安置尺寸切合IEC尺度并与YB2、YB3系列电动机雷同,有利于出口设置装备部署配套利用和原有设置装备部署的更新替换。YBX3防爆电机的安装方式符合GB997《电机结构及安装型式代号》及IEC34-7 的规定。本系列电动机有以下3种基本结构型式: B3有底座,无直连安装法兰盘,B5无底座,有直连安装法兰盘,B35有底座,有直连安装法兰盘。
YBX3防爆电机B3安装方式对应图表
YBX3防爆电机B5安装方式对应图表

