欢迎来到江苏安科瑞电器制造有限公司!|保存桌面|手机浏览|管理入口|返回主站

江苏安科瑞电器制造有限公司

有源电力滤波器,充电桩,充电桩云平台,多功能电测仪表,开口式电流互感器,智能马达保...

188-6099-5109
首页 > 供应产品 > 电机综合保护器低压电动机保护安科瑞厂家ARD2F-100/SU+90L抗晃电马达保护器
电机综合保护器低压电动机保护安科瑞厂家ARD2F-100/SU+90L抗晃电马达保护器
产品: 浏览次数:596电机综合保护器低压电动机保护安科瑞厂家ARD2F-100/SU+90L抗晃电马达保护器 
品牌: 安科瑞
产地: 江阴
单价: 1106.00元/台
最小起订量: 1 台
供货总量:
发货期限: 自买家付款之日起 天内发货
有效期至: 长期有效
最后更新: 2022-03-22 18:14
 
详细信息

安科瑞 包梦娇

一、概述 ARD2F 系列智能电动机保护器(以下简称保护器)能对电动机运行过程中出现的多种故障情况进行保护,并设有 SOE 故障事件记录功能,方便现场维护人员查找故障原因。本保护器具有 RS485 远程通讯接口, DC4~20mA 模拟量输出,方便与 PLC、PC 等控制机组成网络系统。实现电动机运行的远程监控。


二、通用技术指标

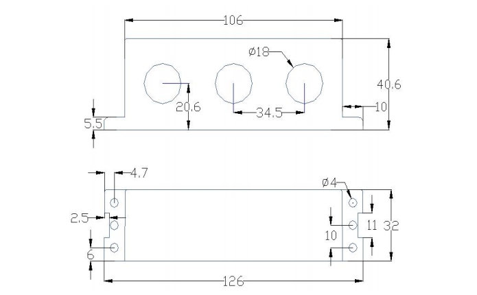
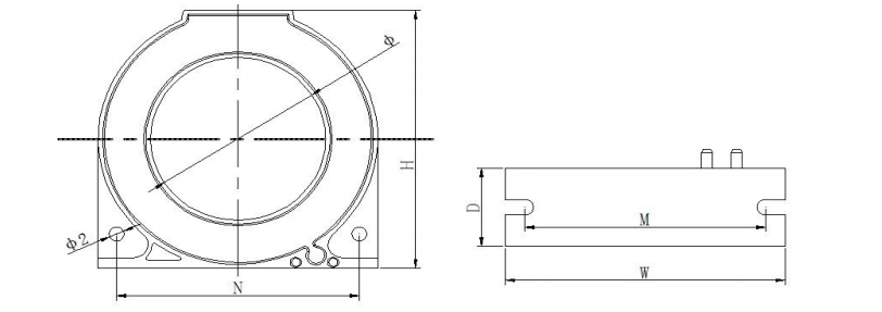
三、外形尺寸及安装

3.1外形及安装开孔尺寸

3.2保护器显示单元安装尺寸

3.3互感器安装尺寸

注:引出线黄、蓝、红、黑对应A、B、C、公共端。

互感器部分(保护器电流规格为1、5、1.6、6.3、25、100时所配电流互感器)

互感器部分(保护器电流规格为250A时所配电流互感器) 互感器部分(保护器电流规格为800A时所配电流互感器) 漏电互感器 3.4 抗晃电模块

3.5 AC380电源模块

四、数码管显示说明


询价单
0条  相关评论