
安科瑞 包梦娇
一、概述 ARD2F 系列智能电动机保护器(以下简称保护器)能对电动机运行过程中出现的多种故障情况进行保护,并设有 SOE 故障事件记录功能,方便现场维护人员查找故障原因。本保护器具有 RS485 远程通讯接口, DC4~20mA 模拟量输出,方便与 PLC、PC 等控制机组成网络系统。实现电动机运行的远程监控。
二、通用技术指标
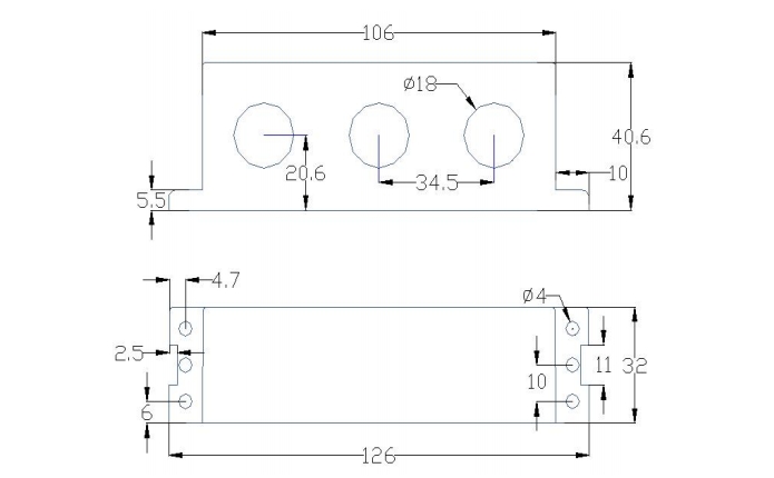
3.1外形及安装开孔尺寸
3.2保护器显示单元安装尺寸
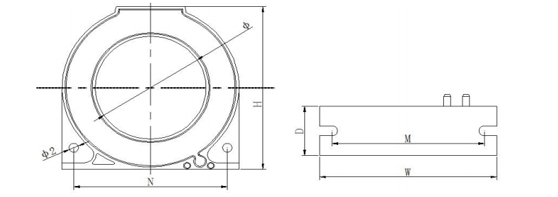
3.3互感器安装尺寸
注:引出线黄、蓝、红、黑对应A、B、C、公共端。 互感器部分(保护器电流规格为1、5、1.6、6.3、25、100时所配电流互感器)
互感器部分(保护器电流规格为800A时所配电流互感器)
漏电互感器
3.4 抗晃电模块
3.5 AC380电源模块
四、数码管显示说明

