欢迎来到江苏安科瑞电器制造有限公司!|保存桌面|手机浏览|管理入口|返回主站

江苏安科瑞电器制造有限公司

有源电力滤波器,充电桩,充电桩云平台,多功能电测仪表,开口式电流互感器,智能马达保...

188-6099-5109
首页 > 供应产品 > 浙江电动机保护器ARD2L-100/CM马达保护器带模拟量输出带通讯
浙江电动机保护器ARD2L-100/CM马达保护器带模拟量输出带通讯
产品: 浏览次数:513浙江电动机保护器ARD2L-100/CM马达保护器带模拟量输出带通讯 
品牌: 安科瑞
产地: 江阴
单价: 847.00元/台
最小起订量: 1 台
供货总量:
发货期限: 自买家付款之日起 天内发货
有效期至: 长期有效
最后更新: 2022-03-22 18:13
 
详细信息

安科瑞 包梦娇一、概述ARD2 系列智能电动机保护器(以下简称保护器)能对电动机运行过程中出现的起动超时、过载、断相、不平衡、欠载、接地/漏电、阻塞、短路、外部故障等多种情况进行保护,并设有 SOE 故障事件记录功能,方便现场维护人员查找故障原因。适用于煤矿、石化、冶炼、电力、船舶、以及民用建筑等领域。本保护器具有 RS485 远程通讯接口, DC4~20mA 模拟量输出,方便与 PLC、PC等控制机组成网络系统。实现电动机运行的远程监控。

二、产品型号

三、通用技术指标

四、外形尺寸及安装

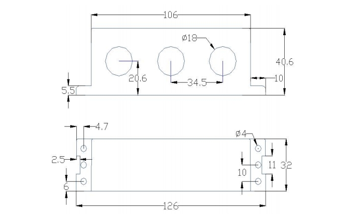
4.1外形及安装开孔尺寸

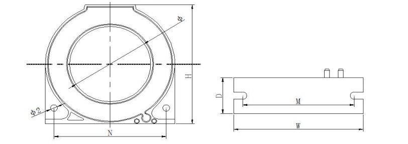
4.2互感器安装尺寸

注:引出线黄、蓝、红、黑对应A、B、C、公共端。

互感器部分(保护器电流规格为1、5、1.6、6.3、25、100时所配电流互感器)

互感器部分(保护器电流规格为250A时所配电流互感器)互感器部分(保护器电流规格为800A时所配电流互感器)漏电互感器4.3 安装方法五、数码管显示说明

询价单
0条  相关评论