
二、产品型号


三、通用技术指标

4.1外形及安装开孔尺寸

4.2互感器安装尺寸
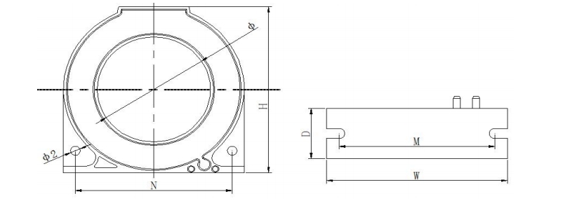
注:引出线黄、蓝、红、黑对应A、B、C、公共端。互感器部分(保护器电流规格为1、5、1.6、6.3、25、100时所配电流互感器)

互感器部分(保护器电流规格为800A时所配电流互感器)
漏电互感器
4.3 安装方法
五、数码管显示说明





![]() |
|

二、产品型号


三、通用技术指标

4.1外形及安装开孔尺寸

4.2互感器安装尺寸
注:引出线黄、蓝、红、黑对应A、B、C、公共端。互感器部分(保护器电流规格为1、5、1.6、6.3、25、100时所配电流互感器)

互感器部分(保护器电流规格为800A时所配电流互感器)
漏电互感器
4.3 安装方法
五、数码管显示说明




