
ARD2 系列智能电动机保护器(以下简称保护器)能对电动机运行过程中出现的起动超时、过载、断相、不平衡、欠载、接地/漏电、阻塞、短路、外部故障等多种情况进行保护,并设有 SOE 故障事件记录功能,方便现场维护人员查找故障原因。适用于煤矿、石化、冶炼、电力、船舶、以及民用建筑等领域。本保护器具有 RS485 远程通讯接口, DC4~20mA 模拟量输出,方便与 PLC、PC等控制机组成网络系统。实现电动机运行的远程监控。
二、产品型号


三、通用技术指标

4.1外形及安装开孔尺寸

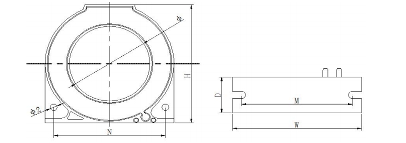
4.2互感器安装尺寸
注:引出线黄、蓝、红、黑对应A、B、C、公共端。互感器部分(保护器电流规格为1、5、1.6、6.3、25、100时所配电流互感器)

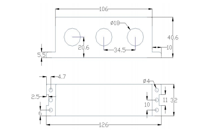
互感器部分(保护器电流规格为800A时所配电流互感器)
漏电互感器
4.3 安装方法
五、数码管显示说明






