
ARD3 智能型电动机保护器(以下简称 ARD3),适用于额定电压至 AC 690V、额定电流至 AC 800A、额定频率为50/60Hz 的电动机。产品体积小,结构紧凑,安装方便,在低压控制终端柜和 1/4 模数及以上各种抽屉柜中可直接安装使用,提高了控制回路的可靠性和自动化水平。
ARD3 采用模块化的产品结构形式,包括主体控制模块、互感器模块和显示模块,并可根据需要选配 ARD3 的其他功能模块或附件,与接触器、电动机起动器等电器元件构成电动机控制保护单元,有远程自动控制、现场直接控制、面板指示、信号报警、现场总线通信等功能。适用于煤矿、石化、冶炼、电力、船舶、以及民用建筑等领域。
1.1产品执行标准
GB 14048.1—2006低压开关设备和控制设备 总则
GB 14048.4—2010低压开关设备和控制设备 机电式接触器和电动机起动器
JB/T 10736—2007低压电动机保护器
1.2结构特点
ARD3 系列产品由主体控制模块、互感器模块、显示模块组成。用户现场安装时,主体控制模块采用标准导轨方
式安装,显示模块采用嵌入式安装。
1.3产品特点
■辅助电源支持 AC 85V~265V/DC 110V~350 或 AC 380V±10%(需另配 380V 电源模块)。
■测量功能分为基本测量(电流参数)和增选测量(电压、功率、相序、剩余电流(漏电流))。
■具有起动超时、过载、堵转、阻塞、欠载、断相、不平衡、剩余电流(接地/漏电)、温度、外部故障、相序、过压、欠压、欠功率、过功率、tE时间等电动机综合保护功能。
■9 路 DI 无源干节点输入,信号电源采用内置 DC24V 电源。
■5 路 DO 输出,满足直接起动,星—三角起动,自耦变压器起动,软起动等多种起动方式,通过通讯总线可实现
远程主站对电动机进行实时遥控“起/停”操作。
■抗晃电确保电动机运行不间断,重起动功能在短时欠压、失压时用于电动机分批重起。
■具有标准的 RS-485 通讯接口,采用 Modbus_RTU、Profibus_DP 通讯协议,保证了上位机通讯的快速可靠。
■具有 DC4-20mA 模拟量输出接口,直接与 DCS 系统相接,可实现对现场设备的监控。
■具有系统时钟和 20 次故障记录功能,系统时钟记录当前时间(日、时、分、秒),故障记录功能记录故障原因。
■显示部分采用全中文液晶显示。
■可以替代各种电量表、信号灯、热继电器、电量变送器等常规元件,减少了柜内电缆连接及现场施工量,可靠
性和综合性价比远高于传统方案。
注:标配功能:电流参数、起动超时、过载、堵转、阻塞、欠载、断相、不平衡、剩余电流(接地/漏电)、温度、
外部故障、相序、过压、tE时间、9 路 DI 无源干节点输入,信号电源采用内置 DC24V 电源、5 路 DO 输出
选配功能:电压、功率、相序、剩余电流(漏电流)、欠压、欠功率、过功率、抗晃电、DC4-20mA 模拟量输出
接口、20 次故障记录功能、全中文液晶显示。
二、产品型号


注:
1、附加功能可以同时选择多种,起动方式、额定电流只能选择一种,如有一台电动机电流为 45A,直接起动需要有通讯功能、剩余电流保护、温度保护功能,显示方式为分体液晶显示,订货型号为 ARD3—100T/LTC-90L。
2、剩余电流分为接地电流和漏电流,二者只能选其一。接地电流采用三相电流矢量和叠加而成;漏电流通过使用漏电互感器检测,在订货时注明漏电流信号量程,便于出厂设置,漏电互感器标配。电流规格为 1A、5A 时,需选用孔径合适的漏电流互感器。
3、4~20mA 模拟量出厂默认为电动机 2 倍额定电流,即电动机 2 倍额定电流对应 20mA,0 对应 4mA。用户可选择模拟量对应的电量参数:如 A 相电流,B 相电流,C 相电流,AB 线电压,BC 线电压,CA 线电压,有功功率等。DC4mA 对应所选变量的z小值,DC20mA对应所选变量的z大值,订货时注明具体要求,否则按默认值设置。
4、过载保护选择是 tE时间保护或反时限过载保护,默认是反时限过载保护,需要 tE保护时要在订货单中注明,否则按默认值设置。
5、电动机保护器应与其产品编号一致的电流互感器、零序电流互感器配套使用。
6、选择双通讯(2C)时,不能再选择温度保护功能,32、33 作为二路通讯接口。
三、主要参数
3.1通用技术指标
3.3功能配置
四、外形及安装尺寸 4.1主体控制模块采用标准 DIN35 导轨安装
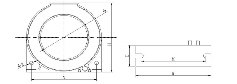
4.2互感器安装尺寸
注:引出线黄、蓝、红、黑对应A、B、C、公共端。 互感器部分(保护器电流规格为1、5、1.6、6.3、25、100时所配电流互感器)
互感器部分(保护器电流规格为800A时所配电流互感器)
漏电互感器
4.3显示模块外形尺寸
4.4AC380V电源模块
4.5抗晃电模块
4.6 90L显示模块面板 


