| 防护等级 | IP20 |
|---|---|
| 控制模式 | 远程控制 |
| 安装方式 | 导轨式 |
| 额定频率 | 50Hz60Hz |
| 产地 | 江阴 |
| 工作电流 | 25-100A |
| 工作电压 | AC380V,660V |
| 温控范围 | -20°C-65°C |
| 品牌 | 安科瑞 |
| 型号 | ARD2F-100/QC+90L |
| 加工定制 | 否 |
| 质量认证 | CE |
安科瑞 包梦娇
ARD2F 系列智能电动机保护器(以下简称保护器)能对电动机运行过程中出现的多种故障情况进行保护,并设有 SOE 故障事件记录功能,方便现场维护人员查找故障原因。本保护器具有 RS485 远程通讯接口, DC4~20mA 模拟量输出,方便与 PLC、PC 等控制机组成网络系统。实现电动机运行的远程监控。
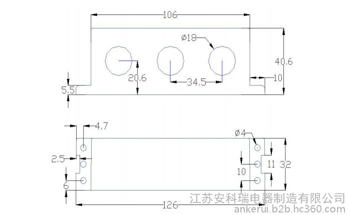
3 外形尺寸及安装
3.1 外形及安装开孔尺寸
注:引出线黄、蓝、红、黑对应A、B、C、公共端。互感器部分(保护器电流规格为1、5、1.6、6.3、25、100时所配电流互感器)
互感器部分(保护器电流规格为250A时所配电流互感器)
互感器部分(保护器电流规格为800A时所配电流互感器)
漏电互感器
3.4 抗晃电模块
3.5 AC380电源模块
四、数码管显示说明


