| 品牌 | 蜀威力 |
|---|---|
| 型号 | KRHD刚性柔性管接头/消防卡箍 |
| 加工定制 | 是 |
| 材质 | 铁 |
| 规格 | 齐全 |
| 公称直径 | DN80-3200 |
| 连接型式 | 法兰连接,卡箍式连接 |
| 适用范围 | 消防设备**设备,化工设备 |
关键词:刚性管接头,柔性管接头,消防卡箍
四川阀门哪家好?哪里可以买到高质量的阀门?13550282058哪里有销售点?成都市威力管道设备有限公司为您提供阀门系列、伸缩接头系列、补偿器系列、橡胶接头系列厂家销售,四川蜀威力阀门,公司产品采用**或行业标准,制造工艺先进,结构新颖易于安装,密封性能良好,启闭灵活,使用寿命长,被广泛供应于供水、排水、电力、石油、化工、煤气、冶金、城建环保等管道行业及重点工程项目配套使用,产品销售覆盖大江南北,深受国内外用户的好评和信赖,知名度也与日俱增。
公司是生产阀门、伸缩接头的专业厂家,主营产品有阀门系列:闸阀、蝶阀、球阀、止回阀;伸缩接头系列:钢制伸缩器、限位防拉脱伸缩器、传力接头等;补偿器系列:不锈钢波纹伸缩器、法兰-丝扣链接金属软管、煤烟风管道补缩器、风道纤维组织补偿器;橡胶接头系列:可曲挠橡胶接头、加强型双球橡胶接头、大小变径橡胶接头、风机盘管等。哪里可以找到威力管道阀门厂家?欢迎电话咨询、电话订购联系:13550282058 ,阀门包括各种品牌和型号,详情请查看://www.zgwlgd.com/。阀门系列、伸缩接头系列、补偿器系列、橡胶接头系列 ,厂家发货,发货地址:成都,收到定金后1日内发货,可提供批发代理服务。
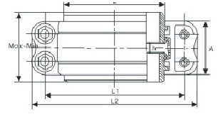
钢制柔性管接头的型号是:KRHD型
内部结构图

钢制柔性管接头的执行标准:02S403
钢制柔性管接头主要由:外卡、密封圈、伸缩管、限位环、螺栓、螺母组成。主要作用是:补偿管道的轴向位移和角向位移,承受管道的压力和推力,快速连接管道。
钢制柔性管接头密封圈为燕尾式的密封圈,材质:NBR丁晴橡胶,此密封圈在使用时收管道内压和外卡压力的受力下膨胀密封,受力越大密封越紧。伸缩管材质是:Q235碳钢,外卡材质是:Q235碳钢、铸钢或QT球墨铸铁。
钢制柔性管接头在使用时内伸缩管与两端管道焊接,外卡压制密封圈,管道承受压力时,密封圈受力起到密封作用。
钢制柔性管接头的好处是:承受的压力较大,有一定的补偿管道角向位移的作用,但是补偿管道轴向位移量较小。
钢制柔性管接头的连接方式是:两端焊接。
主要安装尺寸(单位:mm)PN:1.6/2.5/4.0/6.4MPa


