| 组装形式 | 高组装、低组装、刚带式 |
|---|---|
| 滑块样式 | 四方形和法兰型另有加长四方/法兰型 |
| 导轨硬度 | 58-62 |
| 中负荷、重负荷、超重负荷 | 导轨负荷说明 |
| 产能大,货期短 | 我公司拥有多条生产线 |
| 精度等级 | C/H/P/SP级 |
| 货期 | 货期2-3个工作日 |
| 精度优势 | 方轨采用三面磨床精度高 |
| 包装 | 统一使用木箱包装 |
| 性价比 | 厂家定制性价比高,质量保证 |
| 材质 | 55号钢 |
| 产地 | 台湾 |
| 规格 | 规格型号齐全 |
| 内径 | 滑块内径即型号 |
| 外径 | 滑块外径尺寸齐全 |
| 用途 | 传动装置、用于设备精密传动 |
| 执行标准 | 国标 |
| 种类 | 滚动导轨、静压导轨、钢带导轨、低组装导轨 |
| 重量 | 型号长度越大重量越大 |
| 使用特性 | 高速、低音、耐腐蚀、抗摩擦 |
| 是否库存 | 是 |
| 经营模式 | 自产自销 |
| 品牌 | 台稳T-WIN |
| 型号 | LE/HR型号C/HA-长度C0C |
| 加工定制 | 是 |
| 滑行轨迹 | 直线导轨、直线滑块 |
| 滑轨宽度 | 型号齐全 |
| 滑块个数 | 单个或多个 |
| 额定动载荷 | 型号越大荷载越大 |
| 额定静载荷 | 大于动荷载 |
| 滑轨长度 | 可截取对接任意长度 |
| 滑块固定方式 | 上锁式 |
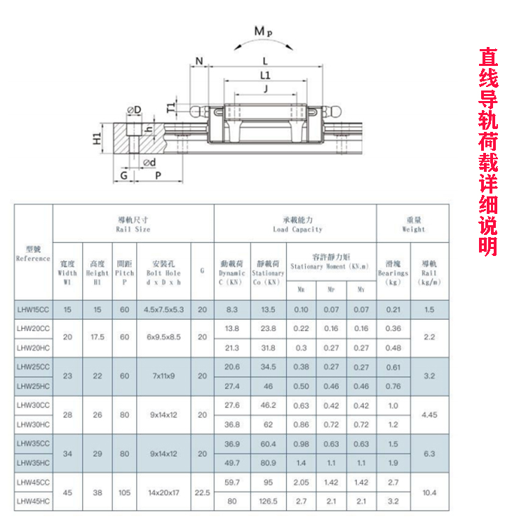
台稳TW30方形滑块产品参数 LHH30HA加长荷载直线导轨滚珠厂产品优势:
目前我公司新品直线导轨型号齐全 包含高组装 滑块分为法兰与方形两种另有加长重载型滑块 刚带式 静音导轨 低组装导轨 链带式直线导轨 型号齐全欢迎来电咨询指导 18560026735
和生产厂家合作可节约中间成本并可根据要求生产订货,产品大,工期短,品质有保障,期待您来我厂参观视察洽谈合作,我们将诚挚的为您服务。
台湾厂址:台中市乌日区溪南路三段503巷85弄82-1号
国内新厂:山东省济南市济阳区永康街 台稳精机
服务热线:18560026735,15966642208(同微信) 欢迎来电咨询。
产品优势:
1.运动速度快,轻便快捷。
2.低摩擦阻力,摩擦系数小,声音低。
3.额定负载大,受力均匀,整体荷载大。
4.产品稳定性高,可告诉平稳运动。
5.安装方便,我方装配调试好,可直接安装于基座上,操作简单。
6.滑块防尘设计,可做一层或两层防尘,防尘效果好,使用寿命长。
7.可定做导轨,货期短,供货量大。
8.厂家定做,省去代理商环节,质量保证,性价比高,欢迎来电咨询指导或来我厂视察。
1.定义:
直线导轨是一种利用滚珠或滚柱让滑块在导轨上做往复运动的一种工件,它是传统硬轨摩擦系数的1/40,同时具有较高的定位精度和较高的刚性。大量应用于设备制造的传动定位部位。
2.应用:
所以被广泛应用在数控机床、自动化、数控木工机械、光纤切割机、钻孔机、3C电子、玻璃磨边机、广告喷绘、写真机等行业设备上的传动定位方面,做精密传动使用。
3.分类:
大体分为滚柱导轨和滚珠导轨两类。 其中滚珠导轨又细分为高组装导轨、低组装导轨、微型轨、链带静音导轨、钢带防尘导轨等(我公司主营滚珠导轨、滑块、钢带式导轨、静音导轨、、链带式滑块、低组装导轨、微型导轨、可产品定做。)
4.直线导轨应用分析:
数控机床和一些重型加工设备一般采用滚柱导轨和一些大型号滚珠导轨,目前我公司可提供大型滚珠导轨,多应用于一些重型设备的传动。
自动化、桁架、数控木工机械、光纤切割一般采用滚珠导轨(高组装、低组装都有用到),数控木工机械有部分用钢带防尘导轨,我公司导轨以防尘耐用深受设备制造业的一致认可。
广告喷绘机、写真机、玻璃机械制造一般采用链带静音型导轨,3C电子行业使用微轨比较多,大量应用于设备制造传动上,我公司新品直线导轨,运行声音低,运动速度快。
济南蓝海传动机械有限公司是一家从事机床设备、自动化及木工机械设备传动部件生产及销售的公司。是台稳T-WIN品牌系列导轨滑块、齿轮齿条中国大陆地区总经销,可提供整套技术解决方案,产品质量保证,价格实惠,占有较大的行业市场份额。我公司秉承专注精密传动定位运动,做客户可信赖合作伙伴。
蓝海传动经过近二十年的发展已经从单一的贸易型成功转型为工贸一体的进出口综合型企业。现公司产品以蓝海PREYP滚珠丝杠、加工中心刀库、四轴旋转机构、五轴旋转头、吸附平台系统;台湾台稳T-WIN系列直线导轨(各型号高组装导轨、低组装导轨、钢带式导轨、精密防尘滑块、链带式滑块、静音滑块等型号现货供应)、齿轮齿条;德国罗尼Rotalin齿条;台湾优克UIKER减速机以及其附属配件为主。
台湾台稳是一家独立研发生产直线导轨的厂家,我们已经发展为多个独立生产车间,并建设多条生产线,我们拥有独立的商标,自主的研发团队,产品质量保证,性价比高。诚心与您合作,联系电话,吴先生18560026735
我们诚心与您合作,并诚心邀请您来我厂参观指导,您的建议**是我们的方向,您的需求**是我们的研发目标,您的支持**是我们发展壮大的源泉!
济南蓝海传动机械有限公司 直线导轨、滑块具体分析:蓝海传动主营:台稳T-WIN系列直线导轨、滑块主要以方轨为主,滑块分为四方形和法兰型两种。各类尺寸型号齐全。可提供技术支持。台稳系列线性滑块以获得多项产品研发,产品质量保证,应用广泛,性价比高,欢迎社会各界人士来电咨询指导,我们将竭诚为您服务。客服一部电话18560026735。
方轨常规型号有15/20/25/30/35/45/55mm等系列标准系列,另有钢带式、低组装防尘导轨、静音滑块、高防尘滑块,长度根据需求截料或对接。目前我公司已经研发钢带系列直线导轨,产品防尘性更高,声音更低,摩擦系数更小,使用寿命更长。我公司直线导轨高组装、低组装导轨滑块型号气齐全,防尘导轨,静音导轨,型号齐全可提供定制服务。
直线导轨装配:一般每支导轨配两块滑块,有时一支导轨也可配多个滑块,根据图纸要求即可。滑块可装配单个或多个,导轨长度可根据要求截取或对接长度,我方负责处理好接口。可直接装配使用。
台稳TW30方形滑块产品参数 LHH30HA加长荷载直线导轨滚珠厂产品参数: 











联系人:吴春月 15966642208、 18560026735 同微信
网址://www.preyp.com.cn/
E-mail:Preyp@vip。163.com
地址:济南市济阳区澄波湖路与永康街交口
网址://www.t-win.tw
欢迎来电咨询或来我厂参观视察,专业厂家,品质值得信赖。
专注精密传动定位运动,做客户可信赖合作伙伴。

