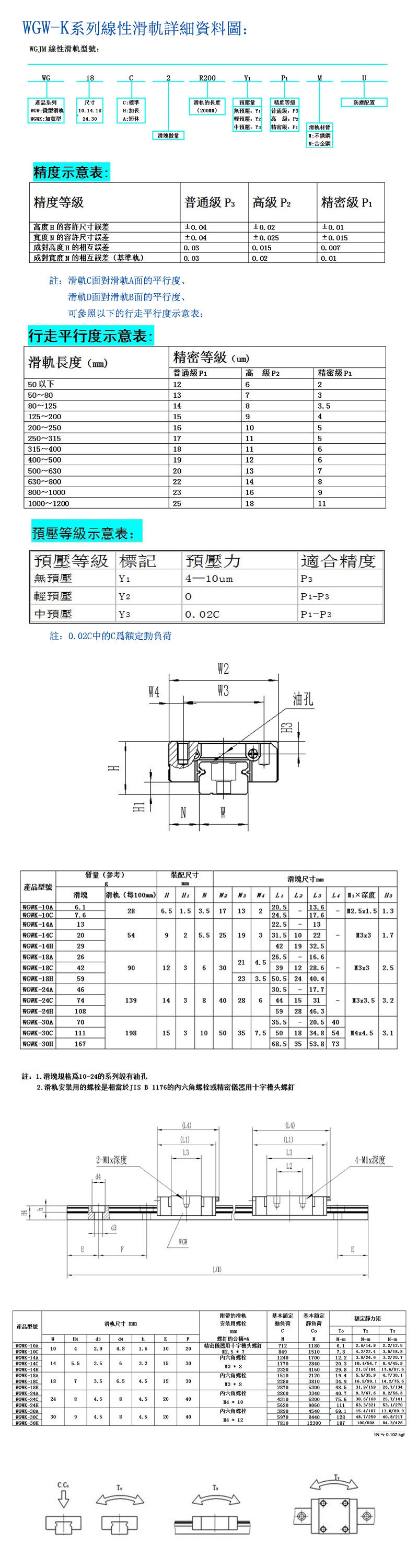
| 固定螺栓尺寸 | M3X8(mm) |
|---|---|
| 允许静力矩 | 29.8(kn路m) |
| 材质 | 不锈钢 |
| 精度等级 | p1-p3 |
| 种类 | 滑动导轨 |
| 品牌 | WGJM |
| 型号 | WGW系列 |
| 滑行轨迹 | 直线导轨 |
| 滑轨宽度 | 14 |
| 滑块个数 | 0-8 |
| 额定动载荷 | 2320 |
| 额定静载荷 | 4160 |
| 滑轨长度 | 0-1200mm |
| 滑块固定方式 | 微型加宽系列 |







公司介绍:
杭州沃高精密機械有限公司是一家專注於研發、製造直線滑軌的專業製造商。公司位於中國**大的經濟圈---長江三角洲,素有人間天堂之稱的杭州。
直線滑軌屬於高精度產品,廣泛應用於數控機床、縫紉設備、輸送機械、精密測量儀器、產業自動化機械、電子半導體機械、機械手臂、包裝印刷機械、汽車製造、焊接切割、自動化雕刻、工業製造及冶金等各個重要領域。本公司所生產的一系列產品,以其高剛性、環保性、低噪聲、高精度、驅動頻率高、摩擦係數小等特點,受到廣大客戶的一致好評。公司擁有一批長期從事精密滾動直線滑軌的專業技術人員,一支由科研人員、銷售人員爲一體的銷售服務團隊,可以爲客戶提供完善的技術和售後服務。
公司的宗旨:
誠信至上、優質服務、科學管理、追求卓越
公司的理念:
精心設計、精密製造、精誠服務
公司的目標:
以不斷提升的產品質量,體貼周到的售前、售中、售後服務,盡顯企業的誠信和責任,願與廣大朋友攜手共創輝煌。

