| 种类 | 软磁性材料 |
|---|---|
| 电流特性 | 交流 |
| 用途 | 自动电器 |
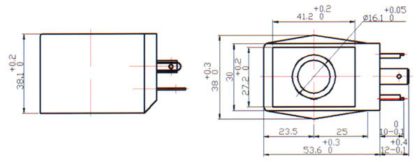
| 规格尺寸 | 16.1(mm) |
| 初吸力 | 10(N) |
| 3C证书编号 | 2014012207000006 |
| 品牌 | 鸿欣 |
| 型号 | 410 |
| 加工定制 | 是 |







靖江市鸿欣电子有限公司是国内 热固性材料封装电磁线圈的专业制造厂,拥有完善的生产工艺和精良的检测设备,技术力量雄厚。产品曾在北京国际动力与传动技术展览会上获得腾飞奖**火炬成果及高新技术产品**奖,并通过ISO9001-2000国际质量体系论证及CE认证。
本厂生产的产品品种繁多、规格齐全、外形美观,有能耗低、耐高低温、防湿、防尘及绝缘性能优良等特点。广泛应用于液压、气动、电磁阀、纺织、除尘设备、电器等行业的产品配套,并不断开发研制新产品,深受用户信赖。
本厂坚持以“科技为先,品质为本,以顾客为中心 ”的质量方针,不断满足顾客要求,谋求共同发展,进一步推动工业自动化。

靖江市鸿欣电子有限公司
联系人:侯栩炜 先生
电 话:0523 84635912 手 机:17751633339
传 真:86 0523 84635896
地 址: 江苏 靖江市 渡江路87号


