欢迎来到河北淼东管道制造有限公司!|保存桌面|手机浏览|管理入口|返回主站
首页 > 供应产品 > 山西DN250快开盲板加工定制快开盲板 卡箍式快开盲板 图纸定做
山西DN250快开盲板加工定制快开盲板 卡箍式快开盲板 图纸定做
产品: 浏览次数:826山西DN250快开盲板加工定制快开盲板 卡箍式快开盲板 图纸定做 
品名: 快开盲板
货物销售类型: 现货
单价: 920.00元/个
最小起订量:
供货总量: 2100 个
发货期限: 自买家付款之日起 天内发货
有效期至: 长期有效
最后更新: 2021-12-23 23:39
 
详细信息
品名 快开盲板
货物销售类型 现货
加工服务 其他加工服务
配送服务 可配送到厂
材质 碳钢
产地 沧州
等级 1级
公称外径 110mm
规格 DN15-DN1800
用途 化工管道
分类 碳钢管件
品牌 淼东管道
型号 DN15-DN1800
加工定制
计重方式 理计

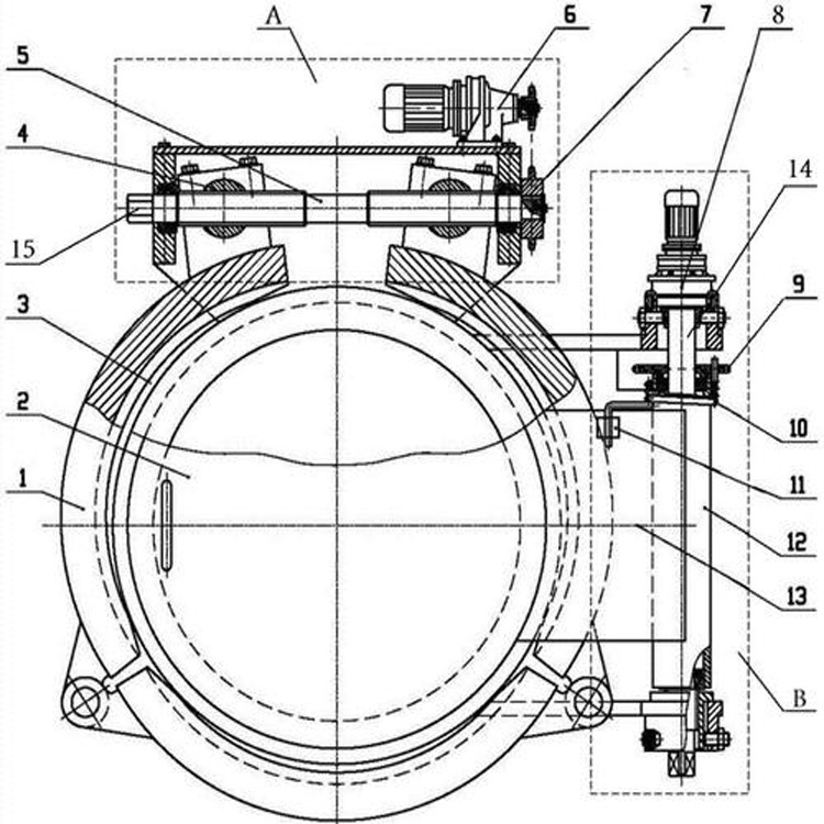
快开盲板全称《快速开关盲板,执行标准SY/T0556-2010》,标准分为:插口式快开盲板与三瓣卡箍式快开盲板;并区分为立式安装和卧式安装,高、中、低压等要求。主要应用于石油化工、天然气管线、等压力容器设备。亿金管道拥有较强的技术开发研制力量,具有国内外先进的生产设备和完善检测手段,以热情的工作态度为八方客户提供成熟的产品和完善的售后服务。

设计要求1:当快开盲板达到预定关闭部位,方能升压运行2:当压力容器的内部压力完全释放,方能打开快开门。3:快开盲板应设计并安装成可以在目视作外表观察时确定夹持元件处于良好状态4:快开应设计成容器升压前后用于观察或其他方法证实所有锁紧部件完全啮合5:快开盲板在打开状态时,头盖应有定位装置,不应意外关闭6:快开盲板的启闭机构和转臂应固定在端法兰上。固定在设备筒体时,应加垫板,并对筒体进行局部应力分析。7:快开盲板端法兰的内径宜于所接筒体内径一致8:快开盲板头盖上应设专用吊耳螺纹孔,端法兰上应设有临时吊耳。

快开盲板开关闭的使用方法:打开快开盲板的时候,要仔细阅读快开盲板上的说明牌。所有的操作都由培训过的人员进行。使用不恰当的工具会在安全连锁系统上导致不可修复的损害。绝不要使用锤子打开盲板。用手拧放空螺栓。如果可听到声音或有油泄出,说明筒内带压。在这种情况下必须泄掉筒内的压力。放空螺丝不能用做泄压口;筒内压力完全泄掉后,再用手拧开放空螺丝;拉出内锁(内锁板是用一根小链条连接在门上);逆时针旋转操作手柄拉开门。

我公司的产品主要包括快开盲板、卧式三瓣卡箍型快开盲板、立式三瓣卡箍型快开盲板、卧式锁环型快开盲板、卧式插扣型快开盲板、立式插扣型快开盲板、收发球筒、管道配件、绝缘接头等产品。我们坚持“ 、履行承诺、不断改进”的质量方针和“忠诚营销、共创辉煌”的营销理念,完善了营销网络,用品牌占领市场,用真诚服务客户。热诚欢迎朋友光临我公司参观、考察,洽谈业务,共创辉煌的未来

询价单
0条  相关评论