| 重量 | 50 |
|---|---|
| 噪声 | 70 |
| 产地 | 河南 |
| 产品认证 | CCC |
| 电流 | 1.87A |
| 电压 | 380V |
| 功率 | 0.55kw |
| 极数 | 4极 |
| 相数 | 三相 |
| 转速 | 1500转 |
| 品牌 | 宏达 |
| 型号 | YJZ-10-4 |
| 参数说明 | ||||||||||||||||||||||||||||||||||||||||||||||||||||||||||||||||||||||||||||||||||||||||||||||||||||||||||||||||||||||||||||||||||||||||||||||||||||||||||||||||||||||||||||||||||||||||||||||||||||||||||||||||||||||||||||||||||||||||||||||||||||||||||||||||||||||||||||||||||||||||||||||||||||||||||||||||||||||||||||||||||||||||||||||||||||||||||||||||||||||||||||||||||||||||||||||||||||||||||||||||||||||||||||||||||||||||||||||||||||||||||||||||||||||||||||||||||||||
| 一、 概述 YJZ系列激振电动机为各类振动机械通用激振源,适用于各类机械,如振动给料机、振动输送机、振动干燥机、振动落砂机、振动筛分机等,广泛用于冶金、矿山、煤炭、化工、轻工、制药、食品、水力、电力、建材、铸造等部门。 使用条件 环境温度为-20~+40℃;海拔不超过1000m;电源为3相380V,50HZ;工作方式为连续工作定额。 激振电动机的外客防护等级为IP54,可在任何无特殊要求的粉尘条件下工作。 型号含义 二、 结构简介 激振三相异步电动机是通过安装在转轴两侧的偏心块,旋转产生离心力。此离心力做为激振力通过电动机底脚传递给振动机械的晃激振源。
图1 YJZ(2极)电动外形尺寸图(见表2) 表2 (单位:mm)
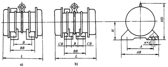
图2 YJZ(4、6、8极)电动机外形尺寸图(见表) 表3 YJZ系列4、6、8极数据表 (单位:mm)
振动原理:
|


二、 结构简介 激振三相异步电动机是通过安装在转轴两侧的偏心块,旋转产生离心力。此离心力做为激振力通过电动机底脚传递给振动机械的晃激振源。
图1 YJZ(2极)电动外形尺寸图(见表2) 表2 (单位:mm)
图2 YJZ(4、6、8极)电动机外形尺寸图(见表) 表3 YJZ系列4、6、8极数据表 (单位:mm)