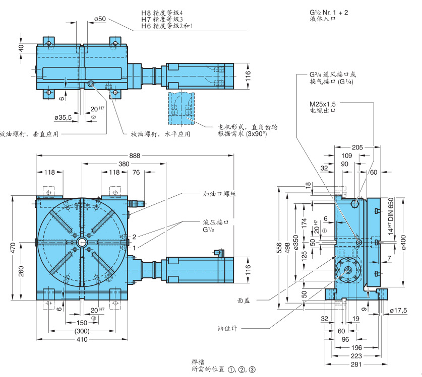
| 中心高 | 260 |
|---|---|
| 中心套孔直径 | 50(mm) |
| 工作台面直径 | 400(mm) |
| 主轴连接尺寸 | 40(mm) |
| T型槽宽度 | 14(mm) |
| 定位键宽度 | 14(mm) |
| 分度精度 | +-1.5(s) |
| 重复精度 | +-0.3(s) |
| 是否库存 | 否 |
| 是否批发 | 是 |
| 材质 | 高碳钢 |
| 产地 | 德国 |
| 执行标准 | 德标 |
| 适用机床 | 皆可 |
| 品牌 | 德国FIBRO |
| 型号 | 11.16.4 |
| 质量认证 | CCC |
1、FIBRO公司介绍

2、分度盘技术描述





3、FIBRO分度盘型号标准

4、11.16.4技术参数
| 参数结构 | 参数描述 | 对应型号编码 | ||||||
| 第一栏 | 1、类型名称 | |||||||
| 台面: | FIBROTAKT带提升台面的分度 | 11 | ||||||
| 型号: | 标准、带电机蜗杆驱动分度台 | 16 | ||||||
| 规格: | 4 | 4 | ||||||
| 工作位置: | 任意 | |||||||
| 第二栏 | 2、台面尺寸: | |||||||
| 台面类型 | 台面尺寸 | |||||||
| 400mm | ||||||||
| 圆形 不带T型槽 | 11 | 二选一 | ||||||
| 圆形 带T型槽 | 13 | 径向 | ||||||
| 提供给客户的图纸 | 00 | |||||||
| 第三栏 | 3、台面夹紧 | |||||||
| 液压 | 5 | |||||||
| 第四栏 | 4、蜗杆驱动 | |||||||
| 编码器 | 在电机轴上 | 71 | 71 | |||||
| 电机 | SIEMENS 1FT6 064 6AH7x-xEGx | |||||||
| 其他驱动单元可根据需求提供 | ||||||||
| 第五栏 | 5、定位 | |||||||
| 任何定位取决于安装的面齿轮的齿数 | 42 | |||||||
| 第六栏 | 6、精度等级(压力/直径:30bar/400mm) | |||||||
| 等级 | 4 | 3 | 2 | 1 | 1~4选一精度等级 | |||
| 分度精度 秒 | ≮S | ±12 | ±6 | ±3 | ±1.5 | |||
| 弧度 ∮400 | mm | ±0.012 | ±0.006 | ±0.003 | ±0.0015 | |||
| 重复分度精度的百分比 | % | 30 | 25 | 20 | 20 | |||
| 台面的跳动(中心孔径) | mm TIR | 0.040 | 0.018 | 0.010 | 0.005 | |||
| 台面的最大摆动 | mm TIR | 0.035 | 0.020 | 0.008 | 0.005 | |||
| 平行度(台面表面/安装面) | mm TIR | 0.050 | 0.025 | 0.012 | 0.008 | |||
| 台面表面和安装面的垂直度 | mm TIR | 0.050 | 0.025 | 0.012 | 0.008 | |||
| 平行度(基座榫头/台面榫头) | mm/100mm | 0.020 | 0.006 | 0.004 | 0.004 | |||
| 第七栏 | 7、面齿轮 齿数/区间 | |||||||
| 标准齿数 | 360 | max | 720 | 0000 | ||||
| 8、运行数据 | ||||||||
| 台面速度 | rpm | 32.1 | ||||||
| 压力介质 | 液压油 | |||||||
| 工作压力 | bar | 30 | ||||||
| 夹紧和释放体积 | L | 0.116 | ||||||
| 所需的体积流量 | L/min | 34.9 | ||||||
| 台面提升 | mm approx | 4 | ||||||
| 蜗杆驱动速比 | i | 20 | ||||||
| 行星齿轮系统 | i | 7 | ||||||
| 速比 | i | 140 | ||||||
| 所需电机扭矩 | Nm | 13.9 | ||||||
| 最大电机转速 | rpm | 4500 | ||||||
| 运输重量(台面直径400mm) | kg approx | 180 | ||||||
| 9、分度时间 | ||||||||
| 标准(n-32.1rpm,itotal=140用于较大质量惯性矩或更短分度时间的特殊形式,如行星齿轮单元,根据需求提供) | ||||||||
| 分度 | T | 12 | 8 | 6 | 4 | 2 | ||
| 质量惯性矩 负载 | kgm2 | 45 | ||||||
| 分度时间(释放、旋转、夹紧) | s | 1 | 1 | 1.0 | 1.4 | 1.8 | ||
| 分度时间包括: | 液压系统的空档时间-锁紧和松开 | 0.40s | ||||||
| 控制系统的周期时间(客户)和伺服驱动的控制时间 | 0.20s | |||||||
| 10、负载数据(工作压力30bar) | ||||||||
| 切削力-克服夹紧台面 | ![]() | |||||||
| 垂直于台面的切削力在400mm内 | N | 30000 ① | ||||||
| 切向力矩 | Nm | 12000 ② | ||||||
| 倾覆力矩 | Nm | 7000 ③ | ||||||
| 台面负载-在水平台面上 | ![]() | |||||||
| 负载-直径在400mm内 | kg | 750 ④ | ||||||
| 台面负载的质量惯性矩 | kgm2 | 45 | ||||||
| 偏心负载力矩 | Nm | 1000 ⑤ | ||||||
| 台面负载-垂直台面上: | ![]() | |||||||
| 负载-直径在400mm内 | kg | 300 ⑥ | ||||||
| 台面负载的质量惯性矩 | kgm2 | 45 | ||||||
| 台面负载力矩 | Nm | 800 ⑦ | ||||||
| 偏心负载力矩 | Nm | 390 ⑧ | ||||||
| 带尾座的台面负载 | kg | 750 ⑨ | ||||||
| 型号举例 | 11.16.4.XX.5.71.42.X.XXXX | |||||||
5、尺寸图纸





