| 额定电压 | 380(V) |
|---|---|
| 应用范围 | 水电建设、火力发电、建筑、建材、化工、采矿、煤炭、冶金、轻工等工业部门 |
| 别名 | 振动电机 |
| 规格 | YZOL系列振动电机 |
| 材质 | 铸铁 |
| 产品类型 | 三相异步电动机 |
| 产品认证 | ISO9001-2000 |
| 额定功率 | 0.4kw |
| 额定转速 | 1490(rpm) |
| 极数 | 4极 |
| 品牌 | 威猛 |
| 型号 | YZOL系列振动电机 |
YZUL系列振动电机

YZUL系列振动电机主要特点:
1.噪音低、能耗低、效率高。
2.体积小、重量轻、启动迅速。
3.安装便捷、维护简单、寿命长。
4.激振力易于无级调整且调节范围广、振动无机械传导。
YZUL型振动电机工作原理:

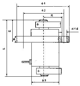
型号 | 最大激振力(N)
| 同步转速(r/pm)
| 功率(KW)
| 电流(A)
| 安装及外形尺寸(mm) | 备注
| |||||||
φ1 | φ2 | φ3 | B | N×d | L | R | R | ||||||
YZOL-3-2 | 3000 | 3000 | 0.25 | 0.62 | 230 | 200 | 160 | 20 | 4×φ11.5 | 280 | 100 | 70 | 上法兰 |
| 200 | 130 | 中法兰 | |||||||||||
YZOL-5-2 | 5000 | 3000 | 0.37 | 0.9 | 230 | 200 | 160 | 20 | 4×φ11.5 | 285 | 130 | 80 | 上法兰 |
| 200 | 120 | 中法兰 | |||||||||||
YZOL-10-2 | 10000 | 3000 | 0.75 | 1.72 | 245 | 210 | 170 | 22 | 4×φ11.5 | 320 | 120 | 120 | 上法兰 |
| 220 | 155 | 中法兰 | |||||||||||
YZOL-15-2 | 15000 | 3000 | 1.1 | 2.3 | 275 | 235 | 195 | 34 | 6×φ14 | 380 | 150 | 130 | 上法兰 |
| 240 | 198 | 中法兰 | |||||||||||
YZOL-20-2 | 20000 | 3000 | 1.5 | 3.1 | 315 | 265 | 225 | 34 | 8×φ18 | 460 | 165 | 180 | 上法兰 |
| 270 | 225 | 中法兰 | |||||||||||
YZOL-3-4 | 3000 | 1500 | 0.18 | 0.6 | 230 | 200 | 160 | 20 | 4×φ11.5 | 280 | 100 | 85 | 上法兰 |
| 200 | 130 | 中法兰 | |||||||||||
YZOL-5-4 | 5000 | 1500 | 0.4 | 0.74 | 245 | 210 | 170 | 22 | 6×φ11.5 | 320 | 100 | 120 | 上法兰 |
| 220 | 140 | 中法兰 | |||||||||||
YZOL-8-4 | 8000 | 1500 | 0.75 | 1.5 | 275 | 235 | 195 | 24 | 6×φ14 | 380 | 150 | 140 | 上法兰 |
| 240 | 195 | 中法兰 | |||||||||||
YZOL-10-4 | 10000 | 1500 | 1.1 | 1.85 | 315 | 265 | 225 | 34 | 8×φ18 | 460 | 165 | 160 | 上法兰 |
| 270 | 225 | 中法兰 | |||||||||||
YZOL-15-4 | 15000 | 1500 | 1.5 | 2.58 | 315 | 265 | 225 | 34 | 8×φ18 | 470 | 160 | 180 | 上法兰 |
|
|
|
|
|
| 270 |
|
|
|
| 215 |
| 中法兰 |
YZOL-30-4 | 30000 | 1500 | 2.2 | 3.6 | 375 | 315 | 272 | 34 | 8×φ22 | 490 | 180 | 200 | 上法兰 |
| 320 | 225 | 中法兰 | |||||||||||
YZOL-50-4 | 50000 | 1500 | 3.7 | 5.1 | 440 | 380 | 325 | 36 | 8×φ26 | 560 | 260 | 235 | 中法兰 |
YZOL-3-6 | 3000 | 1000 | 0.25 | 0.92 | 245 | 210 | 170 | 22 | 8×φ11.5 | 340 | 120 | 135 | 上法兰 |
| 220 | 155 | 中法兰 | |||||||||||
YZOL-5-6 | 5000 | 1000 | 0.37 | 1.22 | 75 | 235 | 195 | 24 | 8×φ14 | 400 | 150 | 140 | 上法兰 |
| 240 | 195 | 中法兰 | |||||||||||
YZOL-10-6 | 10000 | 1000 | 0.75 | 2.2 | 315 | 265 | 225 | 34 | 8×φ18 | 500 | 165 | 180 | 上法兰 |
| 270 | 225 | 中法兰 | |||||||||||
YZOL-15-6 | 15000 | 1000 | 1.1 | 3.1 | 375 | 315 | 272 | 34 | 8×φ22 | 540 | 170 | 200 | 上法兰 |
| 320 | 225 | 中法兰 | |||||||||||
YZOL-20-6 | 20000 | 1000 | 1.5 | 4.0 | 375 | 315 | 272 | 34 | 8×φ22 | 540 | 180 | 200 | 上法兰 |
| 320 | 235 | 中法兰 | |||||||||||
YZOL-30-6 | 30000 | 1000 | 2.2 | 5.6 | 440 | 380 | 325 | 36 | 8×φ26 | 600 | 260 | 235 | 中法兰 |
河南共威机械设备有限公司(原名新乡威猛冶金设备有限公司),专业生产各系列振动设备、破碎设备、给料输送设备、筛分设备、仓壁振动器、振动电机、激振器、减振弹簧、筛板等,广泛应用于冶金、煤矿、矿山等领域。
根据用户要求,我公司可以承担各种规格机械设备的非标设计与制作。河南共威机械设备有限公司欢迎新老客户莅临参观指导和业务洽谈。
联系方式:18537328147(刘经理)
QQ:2265740598
邮箱:2265740598@qq.com

