| 别名 | 大卧式停止器、大卧式止挡器、重型卧式阻挡气缸、重载卧式阻挡器 |
|---|---|
| 产地 | 广东 |
| 规格 | 50*50 |
| 用途 | 输送家电,发动机,摩托,汽车,冰箱等重型产品 |
| 适用机械 | 流水线、老化线、输送线、电子设备线、汽车生产线 |
| 品牌 | 广德 |
| 型号 | F1730.50.50.S.B、F1730.50.50.S.B |
阻挡器是针对自动化输送系统而开发的产品,能方便、可靠地控制作业治具及产品的运输及停顿。设有缓冲装置,能减轻工装板或其它治具对阻挡气缸的冲击,并防止治具的反弹。使用时,依靠缓冲块的弹簧作用,在工装板等治具经过时,与其底部产生滚动接触。当治具完全经过滚轮时,滚轮上升至**高点,立即作为阻挡下一治具所用。

名称:大卧式阻挡器(气缸)、重型卧式阻挡器(气缸)、大卧式止挡器(气缸),大卧式停止器(气缸)
型号:
(1)弹簧缓冲 F1730.50.50.S.B
(2)油压缓冲 F1730.50.50.S.H
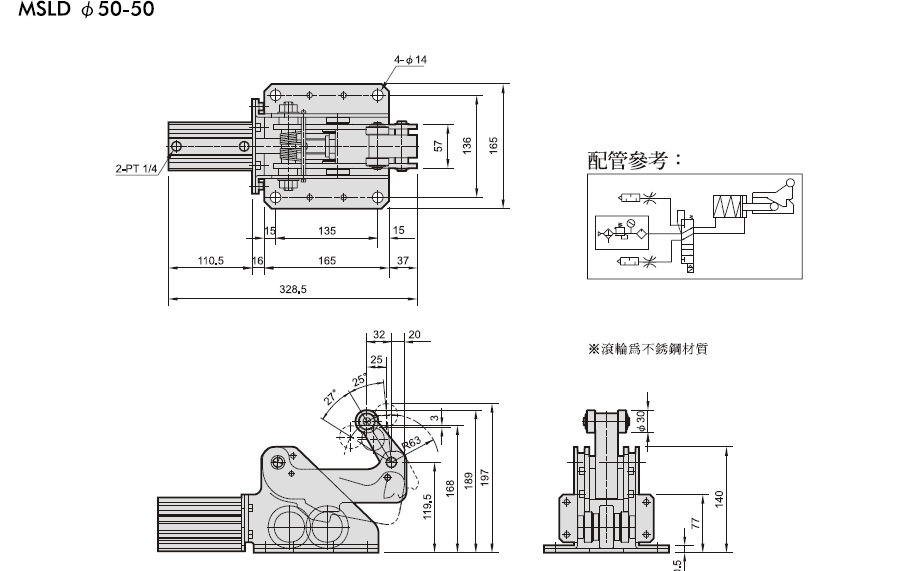
(3)金器型号:MSLD50-50
备注:50指示50MM气缸缸径,50指示50MM气缸行程
气缸选订:
该阻挡器可选用普通50*50薄型气缸(活塞杆为内螺牙,安装孔为螺纹孔,根据需要是否选带磁性)替换,也可依据客户需要选订品牌气缸,如亚德客气缸(型号:SDA50-50-S)、SMC 气缸(型号:CDQ2A50*50-DZ)。
油压缓冲器选订:
在工件重量较大或速度较快的情况下,建议安装使用油压缓冲器,意见要求:油压缓冲器螺纹为M20*1.5或M25*1.5,行程范围:20MM~35MM,杆端不戴帽,调节与不调节皆可。如亚德客适用型号:ACJ20*20或ACJ25*25
阻挡器钣金件外观处理:
(1)表面喷油漆处理,一般为灰白色,厚重大方,经久耐磨
(2)表面电镀处理,如镀镍、镀铬、镀锌,色泽明亮,高端上档次,防锈效果佳
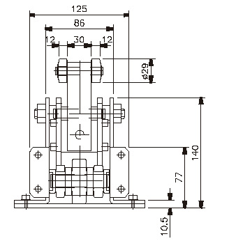
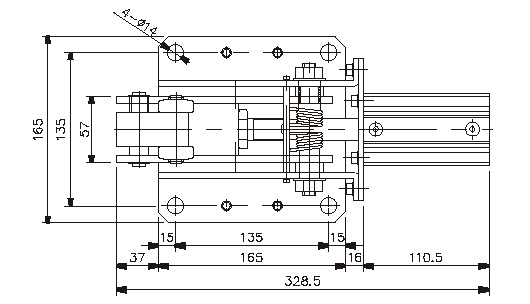
尺寸图如下:



油压缓允许阻挡能力示图

金器款大卧式阻挡器MSLD50—50尺寸图如下(与我公司阻挡器尺寸一致,可替换):

深圳市广德自动化设备有限公司
电话:0755-66807901 传真:0755-61673192
联系人:潘先生13480657056 QQ:279459199
微信:pyr13480657056或13480657056
公司主页://szguangde168.
厂址:深圳市龙华新区民治街道梅龙路梅陇工业区
经营范围:自动化控制系统、气动元件、顶升台(四导柱式/摆杆式/剪叉式)、顶升旋转台 (无动力/动力/带电式)、装配线链轮及张紧座、阻挡器(各款立式阻挡器/各款卧式阻挡器<小卧式阻挡、中卧式阻挡、大卧式阻挡> /QX-1/QX-2/QX-3/QX-4/QX-5/QX-6/QX-7)、提升机、 脚踏阀、电磁阀、气动治具/夹具、工业机械手、电子设备配件、流水线输送线配件、工业设备配件
深圳**,品质保障,价格全国**低!!!
直销热线:13480657056

