| 材质 | 铝型材 |
|---|---|
| 最大负载 | 20kg |
| 重复定位精度 | ±0.02mm |
| 产地 | 上海 |
| 额定电压 | 220V |
| 计量单位 | 套 |
| 售后服务 | 保修一年 |
| 用途 | 搬运,喷涂,码垛等 |
| 品牌 | FA-robot |
| 型号 | FA95BS |
| 加工定制 | 否 |

因品种规格繁多且行程等要求不一,所标非一口价!如有需要请联系慧聪发发或直接来电咨询具体价格、交期或技术问题咨询!
产品实拍图:





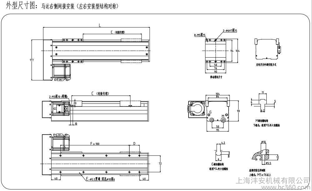
产品规格尺寸:





产品详情:
1.品牌:FA-ROBOT
可提供PDF/CAD/DXF/3D图纸
2.FA-ROBOT系列单轴机械手的产品特性:
(1)标准品采用全球前三大品牌台湾 TBI HIWIN 之传动件
(2)滚珠轴承皆采用日本进口之轴承
(3)螺杆传动系列固定端全数采用滚珠螺杆专用之固定座
(4)可配合客户做客制化机型,满足客户需求
3.FA-ROBOT系列单轴机械手的配置:
(1)原装台湾HIWIN直线导轨
(2)台湾进口原装TBI滚珠丝
(3)原装日本NSK轴承
(4)日本**光电开关,开关数据线
(5)电机座
(6)可根据客户指定配件品牌装配出货
4.FA-ROBOT系列单轴机械手的订购型号用语说明:
①滑台本体宽度
例如75mm,95mm,135mm,150mm.....
②螺距指定
例如:5mm,10mm,16mm,20mm.....
③有效行程
例如:100mm,150mm,200mm......
④负载,速度
**大载重值?KG**快速度?mm/s
⑤重复定位精度
±0.04mm,±0.02mm,±0.01mm...........
⑥刹车
水平安装:无刹车 垂直安装:带刹车
⑦电机品牌及型号(客户自行购买)
步进电机(雷塞,安川....),伺服电机(上银,台达,松下,三菱..........)
⑧电机安装方式
内置,直接外接,侧装...................
5.FA-ROBOT系列单轴机械手的应用范例文字说明:
范例
原理
1.喷漆作业
利用线性模组可**定位且稳定运转之特性
2.CCD影像视觉检测装置
利用线性滑台模组高定位精度及告诉运转稳定度之特性,可用来执行外观之AOI检查
3.表面处理
利用滑台可等速且稳定之移动特性,可将工件挂于滑台上浸入溶剂内,可顺利执行表面处理之作业
4.PCB基板喷字
利用滑台可等速且稳定之移动特性,可将基板固定于滑台移动座上来执行噴字作业
5.PCB电路板切割作业
利用滑台可等速且稳定之移动特性,搭配切刀机构来执行裁切之作业
6.部品组立作业
利用伺服滑台可多点定位及定位准确之特性,可顺利执行零件组立作业
7.生产线搬运作业
利用模组高负荷及可告诉运转之特性,可用来执行输送带上之物品搬运作业
8.包装整列作业
利用单轴机器人高定位精度之特性,可用在输送带上做整列之动作
9.大型物品取放作业
利用机器人高负荷及高定位**之特性,可用来取代人工执行大型物品搬运作业
10.工具机加工取放作业
利用线性模组高定位精度及高速运转稳定度之特性,可搭配工具机来执行加工件上下料之取放机构
11.IC打印工作
利用滑台可等速且等距移动之特性,来执行雷射打印之作业
12.IC取放整列
利用线性模组可**移动之特性,使用两轴连接之模组滑台,搭配夹具或吸盘可组立成取放机构
13.自动焊锡作业
利用伺服滑台高定位精度及高稳定度之特性,可执行复杂之电路板零件的焊锡作业
14.大型LCD玻璃基板涂胶设备
使用龙门连接之设计方式,将胶枪固定于Z轴上即可用来使用高速涂胶之作业
15.绕线机装置
利用滑台可高精度准确移动及定速运转之特性
6.FA-ROBOT系列单轴机械手的使用说明
一、保养方法:
(一)本公司滑台出货前,在动态及静态方面均采取严格品质管制,确保客户使用上的精度及顺畅。
(二)客户于滑台正常使用二个月后,进行**次保养,以后采每月保养一次,确保滑台之顺畅。
(三)保养所使用润滑油规格
1.滚珠螺杆保养油为一般市售润滑油,粘度建议为30-40cst的润滑油。
2.线性滑轨保养油为一般市售润滑油,粘度建议为30-150cst的润滑油。
3.无尘系列保养油为无尘专用润滑油。
(四)每月保养时可同时检查Sensor的检知光电区是否有异物或灰尘,如果有,可以用干式无尘布擦拭。
二、伺服定位滑台简易维修:
伺服定位滑台简易维修异常原因
排除方法
1.电源投入时产生异音
(a)调整伺服驱动器内参数“机械共振抑制”数值
(b)调整伺服驱动器内参数“自动调谐”数值
2.马达运转时产生异音
(a)调整伺服驱动器内参数“机械共振抑制”数值
(b)调整伺服驱动器内参数“自动调谐”数值
(c)检查马达刹车是否释放
(d)检查机构是否因搬运碰撞产生变形
3.马达运转时滑台不顺畅
(a)检查马达刹车是否释放
(b)将马达与伺服定位滑台分离,用手推移动座,判断问题点原因
(c)检查联轴器固定螺丝是否松动
(d)检查伺服滑台移动区是否有异物掉落
4.伺服定位滑台行走距离与实际距离不一样
(a)检查输入行走数值是否正确
(b)检查导程输入数值是否正确
5.马达运转ON,滑台没有移动
(a) 检查马达刹车是否释放
(b) 检查联轴器固定螺丝是否松动
(c)将马达与伺服定位滑台分离,判断问题点原因
线性模组在国内又常称之为精密电动滑台,伺服滑台,直线模组, 单轴机械手,XYZ机械手臂,单轴机器人,XY table,XY工作台等。单轴机械手精密电动滑台一般通过伺服电机或者步进电机驱动,用以实现**定位,工件定位,工件移载和搬运等动作**的有滚珠丝杠传动和同步皮带传动等结构样式。根据使用要求,单轴机械手|精密电动滑台可以实现XYZ多轴组合,搭载成XYZ多轴组合机械手臂或直角坐标机械手,实现空间的定位 ,移载,搬运等各种功能。实现多轴组合应用,详情请向我司客户服务部咨询。

