| 最大负载 | 20kg |
|---|---|
| 重复定位精度 | ±0.02mm |
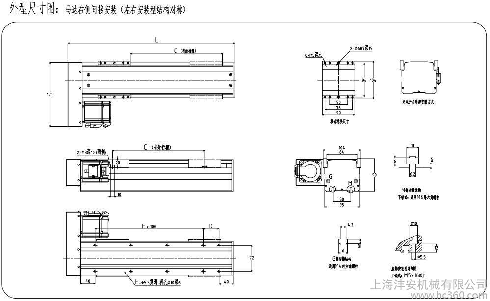
| 外形尺寸规格 | 95mm |
| 产地 | 上海 |
| 额定电压 | 220V |
| 计量单位 | 套 |
| 售后服务 | 保修一年 |
| 用途 | 搬运,喷涂,码垛等 |
| 品牌 | FA-robot |
| 型号 | FA95BS |
| 加工定制 | 否 |
产品详情:
★单轴及多轴组合用途:
可广泛应用于点胶、喷涂、焊接、包装、搬运、排版、平面喷绘机,平面打印机、激光裁床、机械裁床、刻字机、光伏背板切割刻膜机、输送机械手、摄影滑台、及各类自动化设备、辅助设备、电动滑台、科研、实验或功能演示平台等行业。
★产品说明:
1,喷漆作业
利用线性模组可**定位且稳定运转之特性
2.CCD影像视觉检测装置
利用线性滑台模组高定位精度及告诉运转稳定度之特性,可用来执行外观之AOI检查
3.表面处理
利用滑台可等速且稳定之移动特性,可将工件挂于滑台上浸入溶剂内,可顺利执行表面处理之作业
4.PCB基板喷字
利用滑台可等速且稳定之移动特性,可将基板固定于滑台移动座上来执行喷字作业
5.PCB电路板切割作业
利用滑台可等速且稳定之移动特性,搭配切刀机构来执行裁切之作业
6.部品组立作业
利用伺服滑台可多点定位及定位准确之特性,可顺利执行零件组立作业
7.生产线搬运作业
利用模组高负荷及可告诉运转之特性,可用来执行输送带上之物品搬运作业
8.包装整列作业
利用单轴机器人高定位精度之特性,可用在输送带上做整列之动作
9.大型物品取放作业
利用机器人高负荷及高定位**之特性,可用来取代人工执行大型物品搬运作业
10.工具机加工取放作业
利用线性模组高定位精度及高速运转稳定度之特性,可搭配工具机来执行加工件上下料之取放机构
11.IC打印工作
利用滑台可等速且等距移动之特性,来执行雷射打印之作业
12.IC取放整列
利用线性模组可**移动之特性,使用两轴连接之模组滑台,搭配夹具或吸盘可组立成取放机构
13.自动焊(点胶)锡作业
利用伺服滑台高定位精度及高稳定度之特性,可执行复杂之电路板零件的焊锡(点胶)作业
14.大型LCD玻璃基板涂胶设备
使用龙门连接之设计方式,将胶*固定于Z轴上即可用来使用高速涂胶之作业
15.绕线机装置
利用滑台可高精度准确移动及定速运转之特性
线性模组在国内又常称之为精密电动滑台,伺服滑台,直线模组, 单轴机械手,XYZ机械手臂,单轴机器人,XY table,XY工作台等。单轴机械手精密电动滑台一般通过伺服电机或者步进电机驱动,用以实现**定位,工件定位,工件移载和搬运等动作**的有滚珠丝杠传动和同步皮带传动等结构样式。根据使用要求,单轴机械手|精密电动滑台可以实现XYZ多轴组合,搭载成XYZ多轴组合机械手臂或直角坐标机械手,实现空间的定位 ,移载,搬运等各种功能。实现多轴组合应用,详情请向我司客户服务部咨询。
上海沣安机械有限公司是一家专业研发生产线性模组/运动滑台等非标运动平台的公司,具有多年的自动化设备设计经验技术积累,公司具备客户需求的快速响应能力,目前在涂胶、包装、焊接、光伏排版等领域为客户实施了高速、高精度的自动化实施方案,大幅度提高了生产效率和自动化生产水平。本公司以前瞻務實的經營信念,秉持著品質至上的服務精神,不斷精益求精研究創新之理念,以提供客戶使用更高品質、高精度、高技術的產品,來發揮**大的效益。
产品实拍图:






产品尺寸规格:






