| 级数 | 多级 |
|---|---|
| 材质 | 不锈钢 |
| 功率 | 25kw |
| 流量 | 1~500 |
| 吸入口径 | 25~500 |
| 性能 | 卫生 |
| 扬程 | 160 |
| 转速 | 3000 |
| 品牌 | galileo/伽利略 |
| 型号 | CDLF |

1、质量可靠,使用寿命长 2、运行稳定,少去操心 3、服务周到,维护及时

























【CDLF型立式不锈钢多级泵】产品简介:
CDLF立式不锈钢轻型多级泵是采用国际先进技术制造而成,其最大优点是采用先进水力模型设计,高效率,高节能。水泵内部叶轮、泵壳及其主要配件采用不锈钢冲压成形,流道特别光滑,轴瓦、轴套用硬质合金,具有超强的使用寿命,避免产生二次污染。轴封采用耐磨机械密封,无泄漏。电机采用铝外壳,进口轴承,绝缘等级F级。泵运转平稳,低噪音,整机质量可靠外形美观、体积小、重量轻、运输安装方便,是理想的绿色环保、节能的水泵。
【CDLF型立式不锈钢多级泵】型号意义:

【CDLF型立式不锈钢多级泵】性能范围:
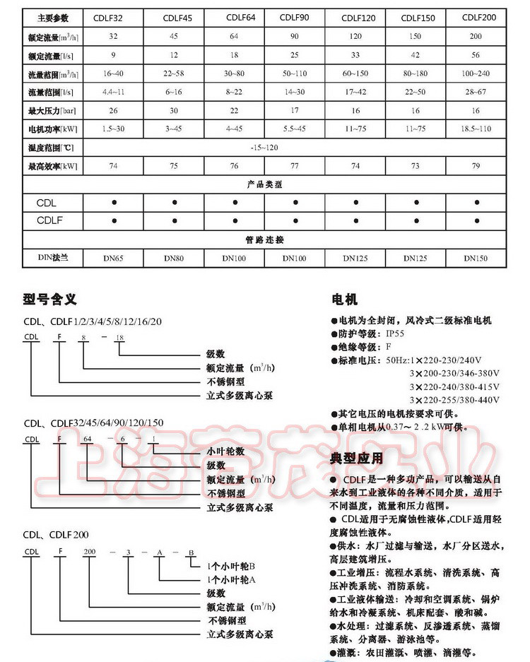
流量:1-22m3/h;
扬程:6-232m;
功率:0.37-15kw;
转速:2900r/min;
口径:φ25-φ50;
温度范围:-15℃-+120℃;
【CDLF型立式不锈钢多级泵】产品特点:
1、采用优良的水力模型和先进的制造工艺,大大提高泵的性能及使用寿命。
2、由于轴封采用材料为硬质合金及氟橡胶的机械密封,可提高泵运行的可靠性及输送介质的温度。
3、泵的过流部分采用不锈钢板冲压焊接而成,使得泵可适用于轻度腐蚀性介质。
4、整体结构紧凑、体积小、重量轻、噪声低、节能效果显著,检修方便。
5、泵的进水口与出水口位于泵座同一水平线上,可直接用于管路当中。
6、采用标准电机,用户可方便地根据需要配备电机。
7、可根据用户需要配备智能保护器,对泵干转、缺相、过载等进行有效保护。
【CDLF型立式不锈钢多级泵】输送介质:
1、稀薄、清洁、不含固体颗粒或纤维的非易燃易爆介质。
2、诸如矿泉水、软化水、纯水、清油和其他轻化工介质。
3、泵主要材料为不锈钢,可应用于抽送轻度腐蚀性介质。
【CDLF型立式不锈钢多级泵】产品用途:
供水:水厂过滤与输送、水厂分区送水、主管增压、高层建筑增压。
工业增压:流程水系统、清洗系统、高压冲洗系统、消防系统。
工业液体输送:冷却和空调系统、锅炉给水和冷凝系统、机床配套、酸性和碱性介质输送。
水处理:超滤系统、反渗透系统、蒸馏系统、分离器和游泳池的水处理系统。
灌溉:农田灌溉、喷灌、滴灌。
【CDLF型立式不锈钢多级泵】结构图:
| | 序号 | 部件名称 | 序号 | 部件名称 |
| 1 | 电机 | 5 | 中间腔体 | |
| 2 | 机架 | 6 | 底板 | |
| 3 | 轴 | 7 | 泵体 | |
| 4 | 叶轮 | 8 | 机械密封 |
【CDLF型立式不锈钢多级泵】安装:
1、CDLF型立式不锈钢多级泵应于地面呈垂直安装,。安装时要保证有充足冷空气进入电动机冷却风扇。泵底箭头表示通过泵的灌流方向。
2、为使泵可能产生的噪声减至最小,最好在泵的二侧及基础与泵体之间安装抗振固定件。对接法兰、衬垫、螺栓、PJE联营器是作为辅件提供的,必须单独订购。倘有必要,须对泵进行清洁、修理或更换时,应在泵的两侧安装隔离阀,以防止系统排水。多级离心泵安装管道要避免空气堵塞,尤其在泵的吸入侧更应注意。管子应该这样安装,即温度变化所引起的任何拉伸都不会影响到泵。如果泵安装在长管子上,在示的前面和后面都应适当地支撑。
3、如多级离心泵有被石子、树叶、小支条等堵塞的危险,那就要采取措施来防止此类事情发生。在吸管部位安装滤网即可。
4、在某些安装情况下,排水管已经呈水平安装,或由泵向下倾斜着,那么泵内的水就会或必然是隔一些时候流掉,泵应受保护不使叶轮空动转。在泵的近旁装上一节装有真空阀的坏管,就可避免这种情况。环管的最高点至少应与泵的电动机的连接盘齐平。这样排水管就能单独地从泵内排水,反之亦然。
5、排水阀关闭时,是禁止泵运转的,因为这会引起泵内温度/蒸气形成的提高,从而导致泵损坏。如有在排水间关闭时,泵的运转有任何危险的话,用一只旁通或放水管接到出口,这样,应保证有最小量的液体流 过泵。放水管,例如,可与水箱连接。
6、QDL、QDLF轻型多级泵的最小量。
【CDLF型立式不锈钢多级泵】举例:
典型的高压冲刷系统图的例子。伽利略Galileo泵业推荐这一种如图所示的安装方法,用于那些不能保证有“最小流量”通过泵的场合。
1、轻型多级泵的液流开关,将对泵提供保护,不使它在液流太小时,泵运转产生高热而损坏。
2、轻型多级泵的滤网,是为了在用以输送轻微污染水的装置中,保护液 流开关而装设的。
注:在液流情况稳定以及能保证具有最小流量的装置中,上述措施是不需妥的。在有水锤危险的装置中,总得在泵的出口边装上一只止回阀。切勿使用快速关闭阀,像快速关闭喷枪之类,因为这种喷枪能导致水锤。影响电动机与泵轴联接,严重时会使泵轴断裂。
【CDLF型立式不锈钢多级泵】电气连接:
1、轻型多级泵在打开接线盒盖以及除掉卸任何泵的零部件之前,一定要将电源关闭。电气连接必须要由合格的电工按照当地法规进行。电动机接线盒必须与电源开关正确连接导线。操作电压和频率在铭牌上标出。注意所使用的电源要适合电动机。三相电动机必须连接到一只有保护功能的起动器上。
2、轻型多级泵的接线盒可以依次转到90°停直在四个位置上。需要时,可用螺丝刀去掉联轴器护板,但不要去掉联轴器。旋出电动机固定在泵上的螺栓。转动电机到所需的位置。再放上螺栓旋紧。重新装上联轴器护板,使它在泵头的凹口内呈垂直对中。电气连接应按照接线盒盖内的线路图来进行。
注:在轻型多级泵未充满液体前,不要起动泵。
【CDLF型立式不锈钢多级泵】发动起来:
一、当轻型多级泵的液体水位高于泵进口的闭式系统或开式系统:
1、关闭排水隔离阀并旋松泵头上的排气螺钉。
2、请注意排气口的方向,并要保证流出的水不会对人引起伤害或对电动机或其它部件引起损坏。在热水装置中,要特别注意由灼热水引发的烫伤危险。
3、缓慢地打开吸水管上隔离阀,直到一股平稳的液流流出排气阀为止。
4、轻型多级泵启动时把排气螺钉旋紧,把隔离阀完全打开。
二、当轻型多级泵的液体水位低于泵进口开式系统:
1、吸水管和泵必须先灌满液体及排气,然后再起动泵。
2、QDL2、4(QDLF2、4、8、16)
3、关闭排水隔离阀。将旁通阀对着止档旋出少量见图七。
4、取下灌注塞,从灌注口灌入液体,直至吸入管和泵完全充满液体为止,将旁通阀重新旋紧。
5、轻型多级泵启动时放回灌注塞,将它牢固地旋紧。
三、轻型多级泵启动时检查转动方向:
1、在轻型多级泵未被灌满液体之前,不要起动泵来检查转动方向。
2、在检查电动机运转方向时,不应拆卸联轴器检查。因为当联轴器即经拿掉时,需要调整轴的位置。正确的转动方向是由泵头上或在电动机风扇盖上的箭头来表明。从风扇看过去,轻型多级泵应按逆时针方向转动。
四、轻型立式多级泵的起动:
1、在起动轻型多级泵前,要完全打开泵吸入侧隔离阀,而让排出侧隔离阀几乎关闭着。
2、轻型多级泵起动时,通过旋松泵头上的排气螺钉让泵排气,直至有一股平稳液流从排气孔流出为止,再将排气螺钉旋紧。
注意:排气孔的方向,并要保证流出的液体不会对人引起伤害或者对电动机或其它部件引起损坏。在热水装置中,要特别注意由灼热水引起的烫伤危险。当管道系统己灌满液体时,缓慢地打开隔离阀,直到完全打开为止。当泵抽送含有空气的液体时,最好定期使泵排气。为了使 泵排气,操作时要把泵头上的排气螺钉松开。
【CDLF型立式不锈钢多级泵】维护、起动与停转频率:
CDLF型立式不锈钢多级泵的维护:
1、在立式多级泵开始工作之前,要查明没有给泵供电,并且泵不可能突然起动。
2、轻型多级泵的轴承和轴密封是不需维修的。如泵长期不用要排净时,可拿掉其中联轴器护板的一块,在泵头与联轴器间的轴上注入几滴硅油。这样就可以使轴密封表面不致粘结。
3、当装上联轴器护板时,注意它们在泵头的凹口里是要垂直对中的。
CDLF型立式不锈钢多级泵电动机轴承:
4、对那些不装有润滑嘴的电动机是不需要维护的。装有润滑嘴的电动机要用高温锂基滑脂来润滑。
5、如轻型多级泵长期暂停使用的,建议一经搁置不用,就对泵与电动机进行清洁及润滑处理。
6、霜冻期间泵搁置不用,就应把水排出防止损坏及开裂。旋松泵头上的排气螺钉,拿掉底座上的排水塞,就能使泵排水,水放尽后,卸下的部件应复装到位或妥善保管。
CDLF型立式不锈钢多级泵的起动与停转频率:
立式多级泵功率小于4KW的电动机,其起动次数不得超过每小时100次。其它电动机起动次数不得超过每小时20次。
声明:由于产品一直在更新,本文中所有文字、数据、图片均只适用于参考,CDLF型立式不锈钢多级泵性能参数、CDLF型立式不锈钢多级泵使用场合、CDLF型立式不锈钢多级泵材质要求、CDLF型立式不锈钢多级泵结构、CDLF型立式不锈钢多级泵安装尺寸以及CDLF型立式不锈钢多级泵的价格等详情,我们一定会尽心尽力为您提供优质的服务。
















木箱、泡沫或纸箱包装,因本泵属于重物只能发物流(需到物流站自提),其它疑问请联系我们。
售后服务承诺
1.产品提供免费维修一年,免费维保期间内如发生非人为原因引起的损坏(不可抗力原因除外),上海苍茂实业将及时免费更换和修理。
2.产品实行终身包修,免费保修期满后买方如委托上海苍茂实业进行维护保养,上海苍茂实业将对设备进行维护更换件(出厂价),并详细列出维保内容。
3.上海苍茂实业本着以客户利益为第一,想客户所想、急客户所急,尽己所能满足客户的要求,做好售后服务。
产品品质承诺
1.上海苍茂实业对产品的质量及交货期负责,产品交货之日起质保期为一年(易损件三个月),终身维护。对于产品质量引起的后果,上海苍茂实业承担相应的责任。如因操作不当引起的后果,上海苍茂实业将以最低成本价对设备进行维护。
2.对所有分供方都进行考察、评审,所有产品的采购都只在合格分供方进行。对分供方所提供的原材料、外购件、外协件都需经过严格复查,检验合格后方准入库;
3.产品制造严格执行“双三检”制度,不合格零件不转序、不装配、不出厂;
一直极少发声的国家发改委本周一出招纠偏:严控政府提价措施出台,提出凡居民消费价格平均涨幅已突破当地预期调控目标较多的地方,年内原则上不得出台除促进节能环保外的政府调价新措施。与此同时,管理层亦出手规范市场价格秩序,叫停经营者或者行业组织以会议纪要、协调价格、价格联盟等形式串通定价、联合提价。
态度明朗的管理层其实极为清楚,一旦食品价格上涨得不到很好控制,与房价等形成叠加效应,中国“低通胀”好时光将殊难逆转。
不容回避的是,此次涨价冲击波之强,价格上涨幅度之巨,为近年罕见,而管理层的调控难度无疑会随之递增。
兰州拉面限价令、粤粮价干预预案等无不彰显管理层稳定物价的良苦用心。但值得注意的是,管理层如何在遏制行业价格垄断的同时,处理好政府干预物价与市场调节的关系殊为重要。
观察者认为,管理层一方面应对串谋提价者及时启动惩罚按钮,一方面亦应倚重市场供需调节,只有“有形之手”与“无形之手”各适其位、各尽其职,才能达至调控的上上之境。
中国能源安全的五重含义与全球战略选择
随着中国经济规模的扩大以及近30年的持续增长,中国的能源需求急剧增加,能源的供需矛盾越来越突出,已经成为影响我国经济安全与经济发展的重要因素之一。然而,在全球化背景下,一国的能源安全不仅是一个经济问题,同时它也是一个政治和军事问题;它不仅与国内供求矛盾及其对外依存度相联系,还与该国对世界资源丰富地区的外交军事影响和控制力相联系。因此,能源安全包括哪些具体含义及如何有效保障能源安全进而保障国家经济安全,已经成为重要而现实的议题。
中国能源安全的五重含义
考虑到当前的国际政治经济格局,在相当长的时期内,中国的能源安全至少包括以下五重含义。
能源安全的第一重含义,是中国的能源供给安全。从总体上来看,我国的能源资源总量约4万亿吨标准,居世界第3位。虽然能源资源总量位于世界前列,但人均占有量很低,人均能源资源占有量不到世界平均水平的一半。从个体来看,我国的炭储量在世界排第3,次于俄罗斯和美国,但人均炭资源仅为世界平均值的42.5%。中国常规可采石油总资源114.9亿吨,居世界第9位,但人均占有量仅10吨,人均石油资源为世界平均值的17.1%,居世界第41位。截至2002年底,我国天然气累计探明可采储量2.56万亿立方米,其中剩余可采储量2.02万亿立方米,居世界第17位,人均天然气剩余可采储量1552立方米,仅相当于世界人均水平的5%,属于名副其实的贫气大国。
更重要的是,我国既是能源供给相对短缺的国家,又是能源利用效率低下、浪费十分严重的国家。据估计,我国增长1万美元GDP的能源消耗是美国的4倍,法国的7倍,日本的14倍。就石油而言,我国的GDP石油消耗比美国高约30%,是日本的2倍多。1994年经济合作与发展组织中的国家每万美元的能源消费量为2.97吨油当量,而中国则高达14.29吨油当量,是世界平均水平的3倍。由此可知,我国能源利用效率之低、浪费之严重。
能源安全的第二重含义,是能源的价格安全。从本质上说,能源不是一种单纯的商品,不仅任何一个地缘政治冲突都可能对能源的价格产生重要的影响,而且小到一场飓风的暴发都可能对能源的价格产生重要影响。另外,中国作为一个新兴的能源消费大国,一直游离于世界能源价格定价体系的外围,受到许多不公正的待遇。据知情者透露,近几年经济萧条的俄罗斯,每每在与我国展开能源谈判时,总是狮子大开口,漫天要价。
此外,形成和影响能源定价机制的中国能源期货市场才刚刚开始,影响能力有限。所以目前中国通过期货和现货进口的能源完全是被动地接受国外能源市场的价格机制。这种被动接受外来价格机制的情况很不利于我国控制和影响能源的进口价格,风险很大。例如,在国际炭市场上,世界上主要的4种指标性炭价格——西北欧价格、美国蒸汽发电用价格、日本焦价格和日本蒸汽发电用价格——全部来自发达国家,而与我国无关。在国际石油市场上,我国每年都受到“亚洲溢价”的影响,因此每年使我国为此多支付外汇近10亿美元。随着今后中国石油进口量的加大,油价攀升,中国外汇支付将大量增加。因此,长期居高不下的油价对国家经济安全的影响也会加大。
另外,减缓国际能源价格波动冲击的中国能源储备才刚刚起步。对于石油,我国现有石油储备主要是石油、石化企业的生产性周转储备,主要集中在油田,只能应付5天~7天的石油需求,4个国家级的石油储备基地才刚刚投入运营,难以发挥有效作用。据统计,美国、日本、德国、韩国的石油储备分别是158天、161天、127天、74天。对于炭,我国也仅有8~10天的商业储备量。由此看来,如此薄弱的储备量使得能源必将成为其他国家威胁和控制我国经济的一根软肋。能源安全的第三重含义,是能源消费的环境安全。产生能源消费环境安全的本质原因,根源于我国近乎畸形的能源消费结构。我国的能源消费结构长期存在过度依赖炭的问题。2000年我国一次能源生产和消费总量分别为10.9亿和12.8亿吨标准,而其中原生产和消费量在能源生产总量中的比重分别为67.2%和67%,炭成为我国环境污染的重要因素。2000年我国电力装机中火电约占75%,电力行业年燃量约占炭生产的一半。同年,我国工业二氧化硫的排放总量为16153200吨,而电力气及水生产供应排放的二氧化硫为7072292吨,约占全国排放总量的43.8%。截至2000年,我国酸雨面积已占国土面积的30%,空气质量达标城市仅占1/3,流经城市的河段70%受到不同程度污染。此外,油气资源的勘探开发、油气长距离输送以及油气加工过程等都会对环境带来破坏和影响,有的非常严重,致使土质严重酸碱化、破坏水质和空气污染,影响了局部地区的土壤和生态环境。因此,使用清洁能源以阻止生态环境恶化及如何在勘探开发中有效地保护生态环境,已成为我国经济可持续发展亟待解决的问题。
能源安全的第四重含义,是近年来日益凸现的能源运输安全。以石油运输为例,我国当前进口石油运输方式比较单一,主要依靠海运和铁路运输。而且,我国通过海运方式进口石油路线也比较单一,高度依赖霍尔木兹海峡、好望角和马六甲海峡,尤其是霍尔木兹海峡和马六甲海峡。而对于我国乃至整个东亚石油安全而言,马六甲海峡的地位尤其特殊,我国85%左右进口的石油都要途经马六甲海峡。当前,袭击石油生产和运输设施已成为恐怖分子的新方式,再加上马六甲海峡是美国军方提出的必须控制的全球16条海上咽喉要道之一,石油运输极有可能由于战争、恐怖袭击和政治因素等切断,从而威胁着中国的能源安全。
能源安全的第五重含义,则是能源勘探、开发与利用的研发安全。为了支持国家经济的持续发展,能源安全还应包括能源科技的研发和创新的能力。如果炭能够高效率低污染利用,或如果核能利用到普通的汽车和飞机上,或者发现新的可替代的高能稀有矿产,而国内稀少但可尽早取得国外的开采权等等,这些都可以提高能源安全系数。相比一些跨国能源企业巨头如BPShell等在能源勘探、开发与利用方面的投入,我国目前能源方面的R&D投入是非常不足的。较弱的能源研发创新能力可以说还不能给能源安全系上“安全带”。可以这么说,中国能源技术相对落后影响了能源供给能力的提高。
中国能源安全的战略选择
能源作为重要自然资源,是国家的战略资源,关系社会发展和经济安全。当前中国能源消费进入快速增长时期,必须抓紧制定和实施能源资源可持续发展战略,搞好能源资源的勘探、开发、生产和节约使用,保障国民经济长期稳定发展。根据中国能源安全的五重含义,相应的战略选择包括:立足国内,开发新源,增效节能;参与竞争,争取定价,建立储备;调整结构,多元发展,保护环境;协调关系,加强合作,保护通道;增加投入,提高技术,确保安全。
第一,立足国内,开发新源,增效节能。具体的战略对策包括:
1.立足国内,开发新源。作为一个发展中的大国,为保证能源安全,必须长期坚持能源供应基本立足国内的方针。首先要加强国内能源资源的勘探开发。加强国内,特别是周边领海的能源勘探开发工作,加大海洋能源勘探开发力度。主要策略是继续深化东部挖潜、加快发展西部、积极拓展海上,保持我国能源产量稳定增长。其次是开发新的能源,如加快核能发展,同时加紧研究和利用可再生能源,如太阳能和生物能等。
2.节能优先,效率为主。加大力度推进节约能源,提

