| 种类 | 薄型气缸 |
|---|---|
| 动作方式 | 双作用 |
| 缸径 | 125(mm) |
| 标准行程 | 50(mm) |
| 最大行程 | 100(mm) |
| 理论作用力 | 170(N) |
| 最大负荷 | 200(N) |
| 品牌 | 德良 |
| 型号 | SDA125*25 |
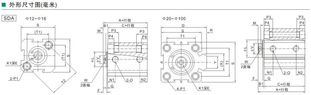
SDA亚德客型薄型气缸
在保持既有动作精度及产品使用寿命下,其全长仅为一般气缸的1/2-1/3发挥既薄且轻的特性。
易安装性
使用埋入式的安装方式,不需要任何配件达到节省空间的要求。
易维修性
采用简易的安装方式进行设计,方便装拆及维修。
磁性开关
在本体围预留装配槽,使磁性开关在安装固定及位置调整时,均简单。
安装与使用:
工作中负载有变化,应选用输出力充裕的气缸,在高温条件下,应选用相应的耐高温气缸。
气缸接入管道前,必须使用介质应经过滤40μm以上滤芯过滤后方可使用。
在低温环境下,应采取抗冻措施,防止系统中的水分冻结。
气缸在工作过程中应尽可能避免受侧向载荷,以维持气缸的正常和使用寿命。
气缸拆下长时间不使用,要注意表面防锈,进排气口应加防尘堵塞帽。





一、气缸的选择
1、类型的选择
根据工作要求和条件,正确选择气缸的类型。要求气缸到达行程终端无冲击现象和撞击噪声应选择缓冲气缸;要求重量轻,应选轻型缸;要求安装空间窄且行程短,可选薄型缸;有横向负载,可选带导杆气缸;要求制动精度高,应选锁紧气缸;不允许活塞杆旋转,可选具有杆不回转功能气缸;高温环境下需选用耐热缸;在有腐蚀环境下,需选用耐腐蚀气缸。在有灰尘等恶劣环境下,需要活塞杆伸出端安装防尘罩。要求无污染时需要选用无给油或无油润滑气缸等。
2、安装形式
根据安装位置、使用目的等因素决定。在一般情况下,采用固定式气缸。在需要随工作机构连续回转时(如车床、磨床等),应选用回转气缸。在要求活塞杆除直线运动外,还需作圆弧摆动时,则选用轴销式气缸。有特殊要求时,应选择相应的特殊气缸。
3、作用力的大小
即缸径的选择。根据负载力的大小来确定气缸输出的推力和拉力。一般均按外载荷理论平衡条件所需气缸作用力,根据不同速度选择不同的负载率,使气缸输出力稍有余量。缸径过小,输出力不够,但缸径过大,使设备笨重,成本提高,又增加耗气量,浪费能源。在夹具设计时,应尽量采用扩力机构,以减小气缸的外形尺寸。
4、活塞行程
与使用的场合和机构的行程有关,但一般不选满行程,防止活塞和缸盖相碰。如用于夹紧机构等,应按计算所需的行程增加10~20㎜的余量。
5、活塞的运动速度
主要取决于气缸输入压缩空气流量、气缸进排气口大小及导管内径的大小。要求高速运动应取大值。气缸运动速度一般为50~800㎜/s。对高速运动气缸,应选择大内径的进气管道;对于负载有变化的情况,为了得到缓慢而平稳的运动速度,可选用带节流装置或气—液阻尼缸,则较易实现速度控制。选用节流阀控制气缸速度需注意:水平安装的气缸推动负载时,推荐用排气节流调速;垂直安装的气缸举升负载时,推荐用进气节流调速;要求行程末端运动平稳避免冲击时,应选用带缓冲装置的气缸。
气缸的选型
程序1:根据操作形式选定气缸类型:
气缸操作方式有双动,单动弹簧压入及单动弹簧压出等三种方式
程序2:选定其它参数:
1、选定气缸缸径大小根据有关负载、使用空气压力及作用方向确定
2、选定气缸行程工件移动距离
3、选定气缸系列
4、选定气缸安装型式不同系列有不同安装方式,主要有基本型、脚座型、法兰型、U型钩、轴耳型
5、选定缓冲器无缓冲、橡胶缓冲、气缓冲、油压吸震器
6、选定磁感开关主要是作位置检测用,要求气缸内置磁环
7、选定气缸配件包括相关接头
气缸的安装:
根据气缸的安装件的安装形式,可分为可拆式和固定式气缸。根据气缸安装形式可分为固定式、摆动式、嵌入式、回转气缸四种。
(1) 气缸安装前,应经空载试运转及在1.5倍**高工作压力下试压,运转正常和无漏气现象后放可使用。
(2) 汽缸接入管道前,必须清楚管道内赃物,防止杂物进入汽缸内。
(3) 在行程中载荷有变化时,应使用输出力充裕的气缸,并附加缓冲装置。
(4) 缓冲气缸在开始运行前,先把缓冲节流阀拧在节流两较小的位置,然后逐渐开大,直到调到没,满意的缓冲效果
(5) 不使用满行程,特别是当活塞杆伸出时,要使用活塞杆与缸盖相碰。否则,容易引起活塞杆和外部连接处的载荷集中。
气缸安装形式应根据安装位置、使用目的等因素决定。在一般情况下,采用固定式气缸。在需要随工作机构连续回转时(如车床、磨床等),应选用回转气缸。有特殊要求时,应选择相应的特种气缸。

