欢迎来到常州泰达机电科技有限公司!
|
保存桌面
|
手机浏览
|
管理入口
|
返回主站
常州泰达机电科技有限公司
直流无刷电机,步进电机,电机驱动器,超声波清洗机,非标设
86-0519-85269360
网站首页
公司介绍
供应产品
采购清单
新闻中心
荣誉资质
联系方式
联系方式
在线留言
公司相册
产品分类
暂无分类
站内搜索
供应产品
采购清单
新闻中心
公司相册
友情链接
暂无链接
首页
>
供应产品
>
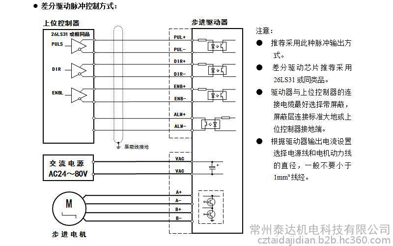
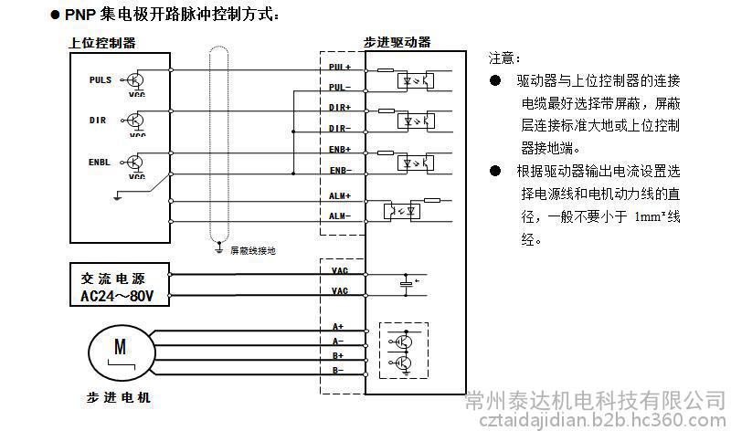
常州泰达DM880H 两相混合式步进电机驱动器
常州泰达DM880H 两相混合式步进电机驱动器
产品:
浏览次数:1123
常州泰达DM880H 两相混合式步进电机驱动器
产地:
江苏
电压:
24-80v
单价:
260.00元/台
最小起订量:
1 台
供货总量:
999 台
发货期限:
自买家付款之日起
10
天内发货
有效期至:
长期有效
最后更新:
2021-12-17 00:53
详细信息
产地
江苏
电压
24-80v
品牌
泰达
型号
DM880H
加工定制
是
询价单
共
0
条
相关评论