| 测量范围 | 0-1Mpa |
|---|---|
| 测量精度 | 0.01Mpa |
| 产地 | 山东 |
| 产品类型 | 全新 |
| 动力类型 | 天然气 |
| 类型 | 数显式压力试验机 |
| 适用范围 | 管件 |
| 操作类型 | 半自动 |
| 品牌 | 思明特 |
| 型号 | SUPC_GMCXT_10 |
| 加工定制 | 是 |
一、产品概况
1产品定位
传感器(英文名称:transducer/sensor)是一种检测装置,能感受到被测量的信息,并能将感受到的信息,按一定规律变换成为电信号或其他所需形式的信息输出,以满足信息的传输、处理、存储、显示、记录和控制等要求。
质量监测站、科研院校等各种型号的传感器的生产、开发研究等领域。
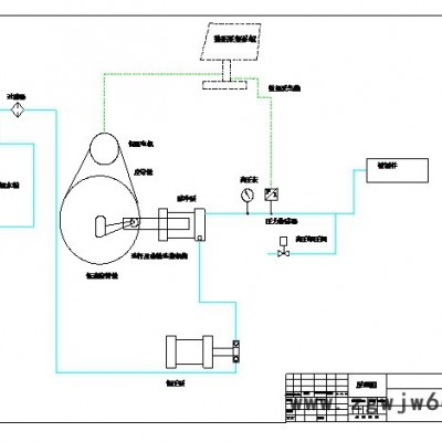
2传感器疲劳检测装置-传感器疲劳性能测试台构成
本试验台由3 个主要部分组成:
(1)压力发生系统:压力泵,控制阀,传感器。
(2)试验柜:主要用于安装待试验的被测件,调压及系统压力指示。
(3)电器控制柜及计算机测试系统:用于采集试验压力及试验圈数变化,打印报告,保存试验数据。
二、产品简介
1基本原理
根据不同压力,高压泵产生高压液体,经过压力控制系统,由高压软管输送给试样中,进行传感器的疲劳压力试验的试验校验。
2性能参数
(1) 试验介质:水、油、乙二醇混合液
(2) 试验压力:0-300Mpa(根据客户需要有不同的压力范围,z高可到300MPa超高压压力)
(3) 压力显示精度:0.1MPa
(4) 试验介质温度:室温~130℃
(5) 实验记录:计算机记录实时显示压力曲线或手工记录两种记录方式

