| 脉冲频率 | 25~60次/分 |
|---|---|
| 测量范围 | 0-2Mpa |
| 测量精度 | 0.01Mpa |
| 产品类型 | 全新 |
| 动力类型 | 天然气 |
| 类型 | 全自动压力试验机 |
| 适用范围 | 空气弹簧 |
| 操作类型 | 全自动 |
| 品牌 | 思明特(济南) |
| 型号 | SUP_ |
| 加工定制 | 是 |
空气弹簧疲劳耐久试验设备
一、空气弹簧疲劳耐久试验设备技术参数
1. 试验介质:空气
2. 试验压力:0-2Mpa
3. 环境温度:常温
4. 压力显示精度:0.01Mpa
5. 试件**大长度:600mm,可定制
6. 时间**大外径:Φ90mm,可定制
7. 试验频率:1/40~3.0 Hz任意可调
8. 试件数量:1
9. 时间显示:计算机显示
二、产品介绍
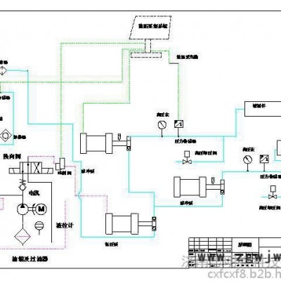
空气弹簧疲劳耐久试验设备试验压力0-2Mpa,可对试验压力,试验温度,试验次数等进行控制,主要用于对空气弹簧的疲劳耐久试验。试验机箱体是由液压系统和热交换系统,控制仪表等组成的一个有机体。在门都安装闭合检测开关,进行测量检测,以满足试验安全性。
整个控制系统采用工业控制计算机+二次控制仪表系统+传感器开关控制模式,并对所有的开关量进行闭合PLC 监控,采用逻辑关系,保证系统的安全和可靠,能够进行故障记录,自动系统锁定逻辑,保证无人值班的试验安全。
三、产品特点
1. 支持断电自动保存数据。
2. 操作简单,运行可靠。
3. 计算机数据采集处理,打印输出压力、疲劳次数和疲劳压力波形。
4. 拆卸被试管路后的泄漏介质自动回收。
5. 使用安全。工件自动检漏和停机,电器安全保护措施。
6. 液晶中文显示,试验次数试验频率根据需求可输入程序,自动完成。
7. 试验压力-时间曲线能够在屏幕上显示并能打印或存储在存储器内,计算机控制,存储器有USB接口,可打印实验压力曲线。
8. 实验数据可回访,可以按照实验时间、实验次数等查询实验结果。
9. 可存储近30万次循环的脉冲压力波形。
10. 内部采用保温层,可以控制环境温度与液体温度。
四、实验过程步骤
1.连接被测件。
2.调整环境温度与被测件内部注油温度。
3.被测件内注入高温液压油,排除空气。
4.关闭泄压阀,启动软件,调整液压站压力,保压时间,升压时间,高压时间,泄压时间,实验次数。
5.调整好压力后开始实验。
6.中途如被测件出现异常,进行异常处理。
7.实验完毕后泄压。
8.卸掉压力,取出被测件。
五、人员培训
1. 演示、介绍设备/系统、控制柜/操作面板的各项功能;
2. 供方对需方操作人员进行实际操作指导,并确保受培训人员熟练掌握全部操作;
3. 设备日常保养维护培训;
4. 培训后供方对需方操作人员进行操作和维护考核,并出具技能合格证书;
需方培训人员暂定为四人,培训时间不得少于一周。

