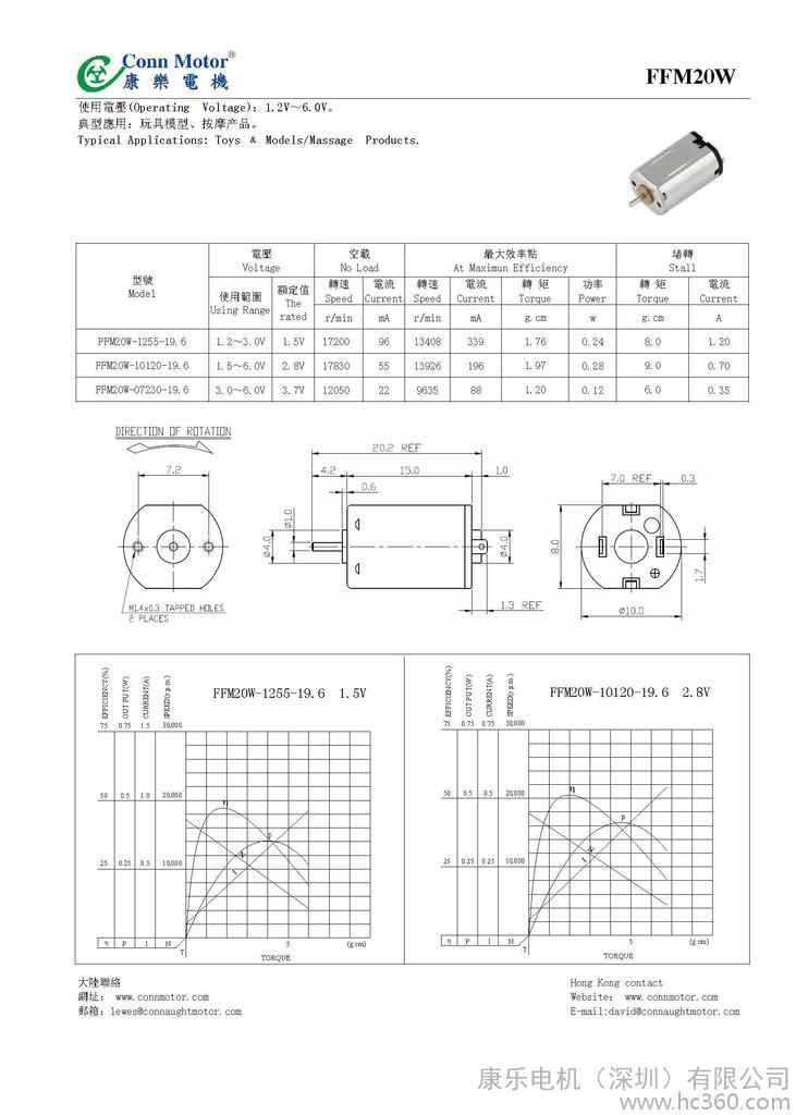
| 额定功率 | 0.12-0.28W |
|---|---|
| 额定电压 | 1.5-3.7 |
| 产品类型 | 有刷直流电动机 |
| 额定转速 | 8000~14000 |
| 额定转矩 | 1.2~5.0 |
| 适用范围 | 玩具模型、按摩产品 |
| 品牌 | 康乐电机 |
| 型号 | FFM20W |
康樂電機是一家專業從事永磁直流微電機研發、生產、銷售的企業,目前主要產品是永磁直流電機、減速電機、減速箱,產品廣泛用於小家電、玩 具、 模型、電動工具、通訊設備、醫療器械、保健品、汽車及健身器材等產品。可支持电机批发!
以上马达性能参数仅供参考!我司可以根据客户要求设计出适合贵司产品的电机!欢迎各界商友来电咨询!联系方式如下:
Website: www.connmotor.com E-mail:conn@connaughtmotor.com
Tell: 0755-84511528 Fax: 0755-84511199

