| 产地 | 宁波 |
|---|---|
| 工作电流 | 10-50A |
| 工作电压 | 220V |
| 适用电机功率 | 11,15,18.5,22kW |
| 外形尺寸 | 72*72*98 |
| 温控范围 | -30-80℃ |
| 品牌 | 慈森 |
| 型号 | CIS1001-50A |
| 加工定制 | 否 |
| 质量认证 | CE |
CIS1001电动机保护器 一、 概述
CIS1001电动机保护器是本公司研发团队在多年研制电动机保护继电器的基础上开发的新一代智能型的科技产品,采用高精度ARM芯片,高线性度的CT,以及更加快速,更加准确的计时动作来保护控制电动机。保护器具有自动线性修正功能,在较宽电流范围内仍具有很高的精度。广泛适用于电力、石油、化工、纺织、矿山、水泥等工业电动机及其它电器的保护。
二、 主要功能
●过载 ●堵转 ●短路 ●欠载 ●相序 ●三相不平衡 ●缺相 ●过压 ●欠压 ●五次故障记忆 ●复位方式可选(选增功能)〇漏电 〇接触器故障
三、 正常工作条件
四、操作指南
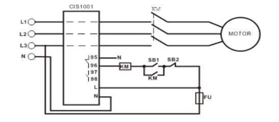
五、典型应用接线图例
六、结构尺寸(单位:mm)


