| 步距角 | 7.5 |
|---|---|
| 电阻 | 60、90 |
| 驱动电压 | DC12 |
| 相数 | 4 |
| 品牌 | 皇威 |
| 型号 | 35BYJ412 |
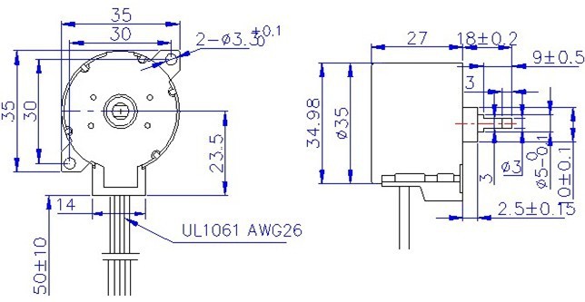
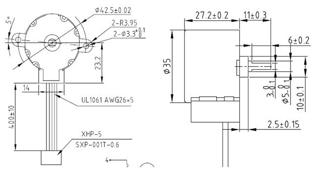
35BYJ412主要电气性能:
1.额定电压:12VDC(5V、6V、12V、24V可订做)
2.相数:4
3.减速比:1/42.5
4.步距角:7.5°/42.5
5.驱动方式:4相8拍
6.直流电阻:90Ω±7%(25℃)(根据转矩大小订做)
7.空载牵入频率:≥400Hz
8.空载牵出频率:≥600Hz
9.牵入转矩:≥600mN.m(120Hz)
10.自定位转矩:≥200mN.m
11. 绝缘电阻:>50MΩ(500V)
12.绝缘介电强度:600VAC/1mA/1S
13.绝缘等级:A
14.温升:<60K(120Hz)
15.噪音:<45dB(120Hz)
16.重量:大约90g
17.未注公差按:GB1804-m
18.转向:CCW



【样品】:索样按40元/只收取样品费,特此说明!
【用途】:各种空调、壁炉、舞台灯、投影仪、医疗器械、激光灯、监控系统、卫生洁具等领域。
【包装】:尺寸480×350×300mm,数量200台/件。
联系方式
邓生:13923481600
Q Q:190268019
电话:0755-83176185
邮箱:190268019@qq.com

