| 动作方式 | 双作用 |
|---|---|
| 标准行程 | 25(mm) |
| 最大行程 | 300(mm) |
| 接管口径 | 2(mm) |
| 温度范围 | 30 |
| 适用压力 | 10 |
| 接管螺纹 | 0.5 |
| 速度范围 | 0.01 |
| 缸径 | 50(mm) |
| 气缸数 | 4 |
| 种类 | 活塞式气缸 |
| 重量 | 10(kg) |
| 最大负荷 | 66(N) |
| 品牌 | SMC |
| 型号 | MHY2手指气缸 |
| 理论作用力 | 88(N) |
| 最大力距 | 55(Nm) |
提示:以下模板中任意文字及图片均可执行修改、复制、删除的操作,添加更多的图片和文字描述有助于增加产品对买家的吸引力。产品介绍
产品信息名称:MHY2气动手指品牌: SMC货号: 03颜色: 白色 产品特点
主要取决于气缸输入压缩空气流量、气缸进排气口大小及导管内径的大小。要求高速运动应取大值。气缸运动速度一般为50~800㎜/s。对高速运动气缸,应选择大内径的进气管道;对于负载有变化的情况,为了得到缓慢而平稳的运动速度,可选用带节流装置或气—液阻尼缸,则较易实现速度控制。选用节流阀控制气缸速度需注意:水平安装的气缸推动负载时,推荐用排气节流调速;垂直安装的气缸举升负载时,推荐用进气节流调速;要求行程末端运动平稳避免冲击时,应选用带缓冲装置的气缸。
产品实拍图


添加图片
产品特写图


添加图片
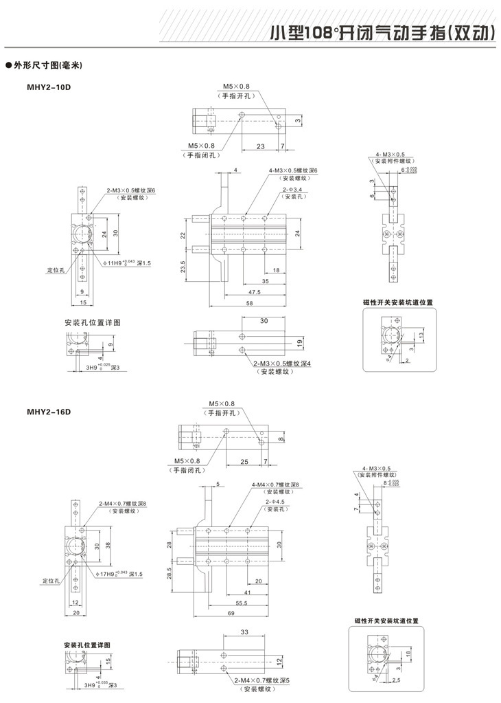
产品尺寸参考图



产品参数
引导活塞在其中进行直线往复运动的圆筒形金属机件。工质在发动机气缸中通过膨胀将热能转化为机械能;气体在压缩机气缸中接受活塞压缩而提高压力。涡轮机、旋转活塞式发动机等的壳体通常也称“气缸”。 一、气缸的选择 1、类型的选择 根据工作要求和条件,正确选择气缸的类型。要求气缸到达行程终端无冲击现象和撞击噪声应选择缓冲气缸;要求重量轻,应选轻型缸;要求安装空间窄且行程短,可选薄型缸;有横向负载,可选带导杆气缸;要求制动精度高,应选锁紧气缸;不允许活塞杆旋转,可选具有杆不回转功能气缸;高温环境下需选用耐热缸;在有腐蚀环境下,需选用耐腐蚀气缸。在有灰尘等恶劣环境下,需要活塞杆伸出端安装防尘罩。要求无污染时需要选用无给油或无油润滑气缸等。
2、安装形式 根据安装位置、使用目的等因素决定。在一般情况下,采用固定式气缸。在需要随工作机构连续回转时(如车床、磨床等),应选用回转气缸。在要求活塞杆除直线运动外,还需作圆弧摆动时,则选用轴销式气缸。有特殊要求时,应选择相应的特殊气缸。 3、作用力的大小 即缸径的选择。根据负载力的大小来确定气缸输出的推力和拉力。一般均按外载荷理论平衡条件所需气缸作用力,根据不同速度选择不同的负载率,使气缸输出力稍有余量。缸径过小,输出力不够,但缸径过大,使设备笨重,成本提高,又增加耗气量,浪费能源。在夹具设计时,应尽量采用扩力机构,以减小气缸的外形尺寸。 4、活塞行程 与使用的场合和机构的行程有关,但一般不选满行程,防止活塞和缸盖相碰。如用于夹紧机构等,应按计算所需的行程增加10~20㎜的余量。 5、活塞的运动速度 主要取决于气缸输入压缩空气流量、气缸进排气口大小及导管内径的大小。要求高速运动应取大值。气缸运动速度一般为50~800㎜/s。对高速运动气缸,应选择大内径的进气管道;对于负载有变化的情况,为了得到缓慢而平稳的运动速度,可选用带节流装置或气—液阻尼缸,则较易实现速度控制。选用节流阀控制气缸速度需注意:水平安装的气缸推动负载时,推荐用排气节流调速;垂直安装的气缸举升负载时,推荐用进气节流调速;要求行程末端运动平稳避免冲击时,应选用带缓冲装置的气缸。 气缸的选型 程序1:根据操作形式选定气缸类型: 气缸操作方式有双动,单动弹簧压入及单动弹簧压出等三种方式 程序2:选定其它参数: 1、选定气缸缸径大小根据有关负载、使用空气压力及作用方向确定 2、选定气缸行程工件移动距离 3、选定气缸系列 4、选定气缸安装型式不同系列有不同安装方式,主要有基本型、脚座型、法兰型、U型钩、轴耳型 5、选定缓冲器无缓冲、橡胶缓冲、气缓冲、油压吸震器 6、选定磁感开关主要是作位置检测用,要求气缸内置磁环 7、选定气缸配件包括相关接头 气缸的安装: 根据气缸的安装件的安装形式,可分为可拆式和固定式气缸。根据气缸安装形式可分为固定式、摆动式、嵌入式、回转气缸四种。 (1) 气缸安装前,应经空载试运转及在1.5倍**高工作压力下试压,运转正常和无漏气现象后放可使用。 (2) 汽缸接入管道前,必须清楚管道内赃物,防止杂物进入汽缸内。 (3) 在行程中载荷有变化时,应使用输出力充裕的气缸,并附加缓冲装置。 (4) 缓冲气缸在开始运行前,先把缓冲节流阀拧在节流两较小的位置,然后逐渐开大,直到调到没,满意的缓冲效果 (5) 不使用满行程,特别是当活塞杆伸出时,要使用活塞杆与缸盖相碰。否则,容易引起活塞杆和外部连接处的载荷集中。 气缸安装形式应根据安装位置、使用目的等因素决定。在一般情况下,采用固定式气缸。在需要随工作机构连续回转时(如车床、磨床等),应选用回转气缸。有特殊要求时,应选择相应的特种气缸。
|
企业介绍
乐清市创瑞电气有限公司是一家以工业照明电器为主导,集研发、制造、贸易、服务等功能于一体的民营企业。主要经营产品有固定专业照明、移动专业照明、固定防爆照明、移动防爆照明、防爆电器、LED工程照明、HID工程照明、马路、隧道灯等各种专业类产品,共有几十个系列,上千个品种规格的产品。目前是国内行业中专业较强的企业之一,产品配套齐全。现为乐清市在外企业家联合会副会长、乐清市民营企业协会会员、中国信用企业认证体系示范单位,通过ISO9001国际质量体系认证,通过三C认证,取得了各种证书100余张。 自公司成立以来,销售额稳步上升。现已拥有几十家协作企业。新疆中石化油田入围企业单位。公司奉行“以市场为中心,以科技为先导,以质量为主线,以信誉为生命”的企业宗旨,立足本行业,不断向经营国际化、管理现代化、产业规模化、股份社会化推进。
公司通过ISO9001国际质量体系认证,防爆电器产品均严格按照GB3836-2000**性气体环境用电气设备》标准及其他相关标准的要求,致力于为中国煤炭行业、中石油、中石化、电力、冶金、铁路、船舶、场馆、部队、航空航天**消防及大型化工企业等目标市场和细分客户,提供“简单可靠、节能环保”的产品和“物有所值、物超所值”的服务,提供专业化的照明解决方案和一揽子的系统照明服务。
企业证书



添加证书
添加质检报告
购买须知
1、厂家货源**
厂家**
2、关于尺码
客户自定
3、关于颜色
客户自定
4、关于客服
客服电话:0577-61780988
5、关于售后
售后:0577-61780968
6、关于发货
物流或者快递

