| 咨询热线 | 180-9139-1760 |
|---|---|
| 标准 | 国标 |
| 材质 | 铸钢 |
| 产地 | 西安 |
| 工作温度 | 常温 |
| 公称通径 | DN450 |
| 连接形式 | 法兰 |
| 流动方向 | 单向 |
| 流量 | 法兰 |
| 密封形式 | 硬密封型 |
| 配件名称 | 执行器 |
| 驱动方式 | 电动 |
| 适用介质 | 蒸汽 |
| 形态 | 柱塞式 |
| 配件用途 | 适用于锅炉,供暖,换热机组,空调,洗浴等,用来调节压力,压差,温度,湿度,流量,已达到控制温度和流量 |
| 压力环境 | 常压 |
| 品牌 | 博信 |
| 型号 | VAF30.450 |
| 加工定制 | 是 |
| 用途/使用范围 | 调节,流量控制,截止 |
| 通道位置 | 二通式 |
电动调节阀VAF30.450+DLB4100 带485 电动单座调节阀 差压调节阀 直通单座调节阀 电动三通合流阀
西安博信赛尔机电设限公司是致力于暖通空调自控产品研发、生产销售的专业设备服务提供商。本公司现有产品电动调节阀、电动平衡式调节阀、温湿度控制箱、水位显控仪、压差控制箱,电动温度调节阀 电动比例积分阀,电动二通调节阀,电动三通分流阀 电动三通合流阀,电动比例流量阀,使用暖通中的电动温控阀 比例积分二通阀 电动压力调节阀 电动压差旁通阀 比例流量阀等。



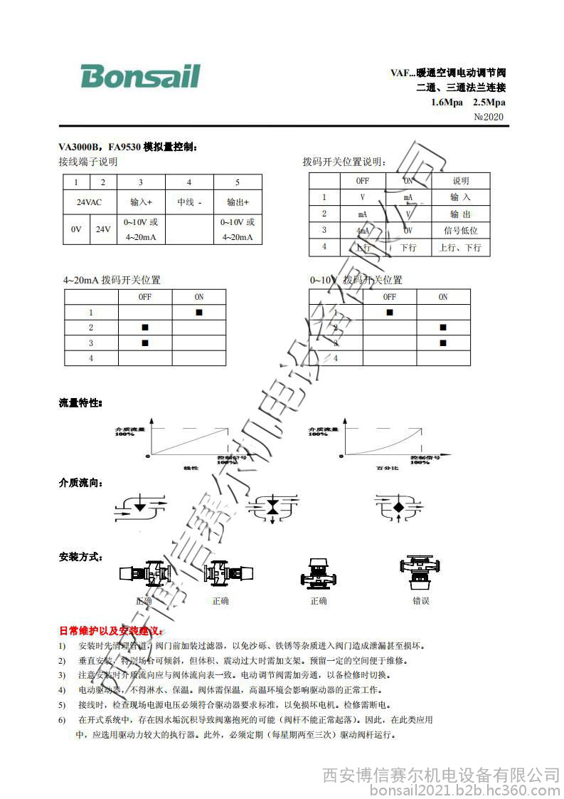
博信电动调节阀-日常维护以及安装建议:
1) 安装时先清理管道,阀门前加装过滤器,以免沙砾、铁锈等杂质进入阀门造成泄漏甚至损坏。
2) 垂直安装,特别场合可倾斜,但体积、震动过大时需加支架。预留一定的空间便于维修。
3) 注意安装时介质流向应与阀体流向表一致。电动调节阀需加旁通,以备检修时切换。
4) 电动驱动器,不得淋水、保温。阀体需保温,高温环境会影响驱动器的正常工作。
5) 接线时,检查现场电源电压必须符合驱动器要求标准,以免损坏电机。检修需断电。
6) 在开式系统中,存在因水垢沉积导致阀塞抱死的可能(阀杆不能正常起落)。
因此,在此类应用 中,应选用驱动力较大的执行器。此外,必须定期(每星期两至三次)驱动阀杆运行。
电动调节阀VAF30.450+DLB4100 带485 电动单座调节阀 差压调节阀 直通单座调节阀 电动三通合流阀 现场实拍图片

西安博信将坚持以提高产品质量、完善服务体系为企业宗旨,秉承“博众长、信为本”的企业理念,为博信的用户提供恒久 的产品与服务。欢迎致电了解详情或询价!期待与您的合作!
西安博信赛尔机电设备有限公司
联系人:杨天文:18091391760 029-63697095
地址:陕西省西安市高新一路5号正信大厦20楼
厂地址:陕西省西安市户县草堂工业区
电子邮件:348482026@QQ.com

