欢迎来到安科瑞电气股份有限公司!
|
保存桌面
|
手机浏览
|
管理入口
|
返回主站
安科瑞电气股份有限公司
电能管理,电力监控与保护,电气安全,电量传感器,新能
13681676347
网站首页
公司介绍
供应产品
采购清单
新闻中心
荣誉资质
联系方式
联系方式
在线留言
公司相册
产品分类
暂无分类
站内搜索
供应产品
采购清单
新闻中心
公司相册
友情链接
暂无链接
首页
>
供应产品
>
安科瑞AKH-0.66/H H-280*90原装0.2s互感器继电器电动机保护
安科瑞AKH-0.66/H H-280*90原装0.2s互感器继电器电动机保护
产品:
浏览次数:1039
安科瑞AKH-0.66/H H-280*90原装0.2s互感器继电器电动机保护
品牌:
ACREL
母排规格:
2*125*10/6-10
额定电压:
0.66KV
单价:
1955.00元/个
最小起订量:
1 个
供货总量:
1000 个
发货期限:
自买家付款之日起
2
天内发货
有效期至:
长期有效
最后更新:
2021-12-24 08:52
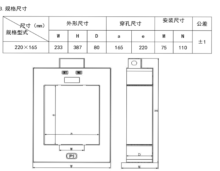
详细信息
母排规格
2*125*10/6-10
额定电压
0.66KV
频率
50HZ
匝数比
1匝
品牌
安科瑞
询价单
共
0
条
相关评论