| 加工定制 | 是 |
|---|---|
| 类别 | 蜗轮蜗杆减速机 |
| 齿轮类型 | 斜齿轮减速机 |
| 安装形式 | 卧式 |
| 齿面硬度 | 硬齿面 |
| 输入转速 | 500(rpm) |
| 输出转速范围 | 3(rpm) |
| 许用扭矩 | 1500(N.m) |
| 级数 | 单级 |
| 减速比 | 73 |
| 规格 | SE7-73-H-16R |
| 保持力矩 | 10.4kN.m |
| 倾覆力矩 | 13.5kN.m |
| 轴向载荷 | 133kN |
| 品牌 | 尚邦 |
| 型号 | SE7-73-H-16R |


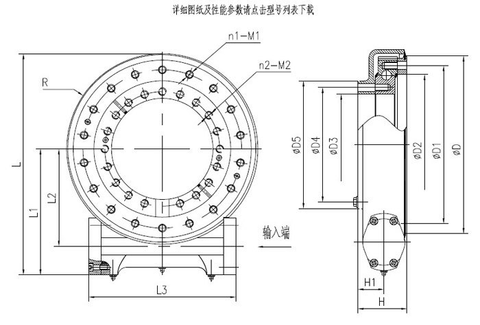
型号/尺寸参数表:
型号 | 外型尺寸 (mm) | 安装尺寸 (mm) | 安装孔 | ||||||||||||||
L | L1 | L2 | L3 | R | H | H1 | D | D1 | D2 | D3 | D4 | D5 | n1 | M1 | n2 | M2 | |
SE3-62 | 228 | 114 | 80 | 160 | 76 | 97.5 | 60.5 | 115 | 100 |
|
| 100 | 126 | 6 | M10 |
|
|
SE5-62 | 225 | 127.7 | 93.7 | 168 | 91.5 | 79 | 38 | 161 | 135 | 103.5 | 50 | 70 | 120 | 6 | M10 | 8-1 | M10 |
SE7-73 | 296 | 166.7 | 132.7 | 186 | 129 | 80.8 | 42.5 | 237.5 | 203.2 | 163 | 98 | 120.6 | 145 | 8 | M12 | 10 | M12 |
SE9-61 | 411 | 238 | 174.2 | 321.7 | 172.5 | 108 | 56.1 | 316 | 270 | 222.5 | 146 | 175 | 204 | 16 | M16 | 16-1 | M16 |
SE12-78 | 500 | 285 | 220 | 339.5 | 215.5 | 110.4 | 58.4 | 406 | 358 | 308.6 | 229 | 259 | 289 | 18 | M16 | 20-1 | M16 |
SE14-85 | 531 | 303 | 237.6 | 337.5 | 228 | 111 | 59 | 453 | 390 | 342.5 | 265 | 295 | 325 | 18 | M16 | 24-1 | M16 |
SE17-102 | 615.5 | 340 | 280.4 | 385 | 275 | 126 | 66 | 522 | 479.4 | 425 | 324 | 365.1 | 406 | 20 | M16 | 20 | M16 |
SE21-125 | 732 | 417.5 | 345 | 475 | 334 | 140 | 73 | 621 | 584.2 |
| 435 | 466.7 | 533 | 36 | M20 | 36-1 | M20 |
SE25-150 | 863 | 467 | 401.8 | 469 | 396 | 130 | 76.2 | 744 | 675 |
| 512 | 565 | 628 | 36 | M20 | 36-1 | M20 |
备注:
1、 详细尺寸及性能参数点击列表型号,下载详细图纸;
2、 根据客户需求选配不同的电机或液压马达;
3、 我们还可以按照您的要求为您量身定制
4、 任何疑问请随时电话或邮件的方式联系我们。

徐州尚邦机械制造有限公司坐落在中国工程机械之乡—徐州,位于铜山高新技术开发区。产品主要为回转驱动、回转支承等回转类产品。
回转支承包括:单排球式(01系列、HS系列、Q系列)、双排球式(02系列)、三排滚柱式(13系列)、单排交叉滚柱式(11系列,HJ 系列)、轻型系列和法兰式薄型等多系列回转支承,公司产品涵盖200mm—4000mm各种标准与非标规格的尺寸,广泛应用在园林机械、起重机、造船业、建筑机械、游乐场、自动停车场、矿用、隧道钻床、交通运输、输送装置、通讯雷达车、卫星地面接收器等。
回转驱动:采用回转支承和环面包络蜗杆结构,能达到多齿啮合,具有传动扭矩大,运行平稳等特点;以回转支承为主体,同时可以承受较大的径向、轴向载荷以及较强的倾覆力矩,产品包括:围栏型(SE系列)、精密型(PE系列)、零间隙(ZE系列)、敞开型(S系列)、重型车用(HS系列)等几十个规格型号。产品广泛应用于高空作业车、随车吊、船舶吊机、电力抢修车辆及太阳能光伏发电跟踪系统等其他新能源行业。
我们的宗旨:致力于为我们的客户持续不断的提供**的产品和服务,为客户创造价值。

| 徐州尚邦机械制造有限公司 国内销售部: 电话:0516-83406186手机:18151300796传真:0516-80296010邮箱:574094983@qq.com 国际贸易部: 电话:0516-83406186手机:18151300716传真:0516-80296010邮箱:info@xzshangbang.com 地址:徐州市铜山区高新技术开发区 |

