| 产品属性 | 86步进电机套装 |
|---|---|
| 相数 | 3 |
| 电压(V) | 48-220 |
| 转矩(N.M) | 7 |
| 品牌 | 时代超群 |
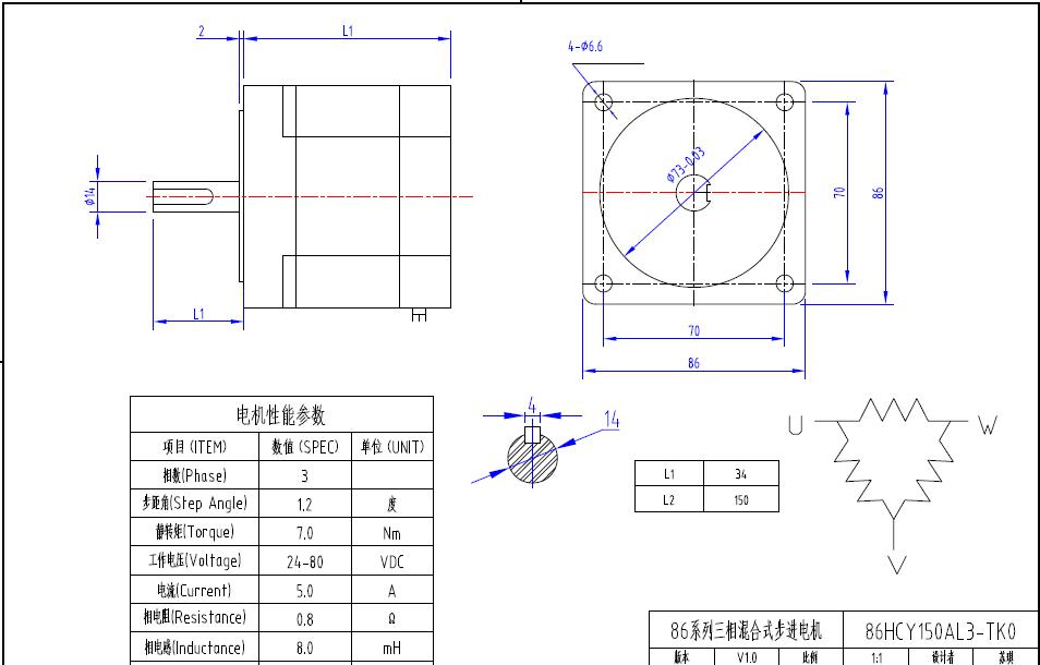
| 型号 | 86HCY150AL3-TK0 |





Model | 老型号 old Model | 相数 Phase | 步距角 Step Angle | 静转矩 Torque (Nm) | 电流 Current (A) | 相电阻 Resistance (Ω) | 相电感 Inductance (mH) |
| 86HCY65AL3-TR0 | 86BYG350-65 | 3 | 1.2° | 2.0 | 3.0 | 0.2 | 1.6 |
| 86HCY98AL3-TK0 | 86BYG350-98 | 3 | 1.2° | 4.5 | 5.2 | 0.5 | 3.0 |
| 86HCY113AL3-TK0 | 86BYG350-113 | 3 | 1.2° | 6.0 | 5.2 | 0.4 | 5.9 |
| 86HCY113AL3-DK0 | 86BYG350-113(双) | 3 | 1.2° | 6 | 5.2 | 0.6 | 11.0 |
| 86HCY150AL3-TK0 | 86BYG350-150 | 3 | 1.2° | 7.0 | 5.2 | 0.5 | 8.0 |

配套驱动器:
配套安装支架:

联系方式;
北京时代超群电器科技有限公司
联系人:李文杰
联系电话:18801063276
qq:928221169
旺旺号:时代超群66
邮箱;928221169@qq.com
网址;//shop71634596./

